● Entspricht der Norm IEC 61851-1 (Lademodus 3)
● Modularer Aufbau, Schienenmontage
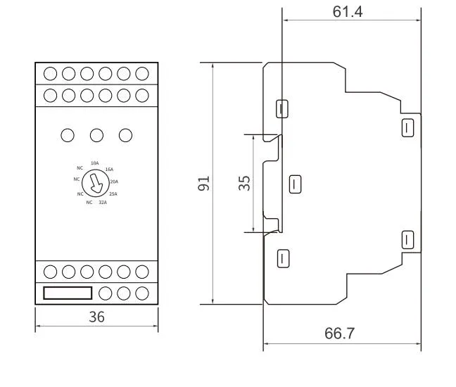
● Einstellbarer Ladestrom (maximal 32A)
● Unterstützt Modbus-RTU-Protokoll und RS485-Kommunikationsmethode
● Konfigurierbare Master- und Slave-Geräte
● Ausgestattet mit dynamischer Lastenausgleichsfunktion (DLB)
EKEPC2 ist ein AC-Ladesäulen-Controller, der für die Montage auf einer DIN-Schiene konzipiert ist. Als zentrale intelligente Steuerkomponente der AC-Ladesäule entspricht er den Normen IEC61851-1 bzw. GB18487.1-2015 und kann im Modus 3 eine herausragende Leistung von bis zu 32 A Ladestrom erreichen.
EKEPC2 unterstützt das Modbus-RTU-Protokoll und die RS485-Kommunikation, verfügt über hochflexible Erweiterungsmöglichkeiten und ist mit einer Vielzahl von Geräten kompatibel, darunter kontaktlose IC-Karten, Fehlerstrom-Erkennungsgeräte (RCMU), DLB-Stromerkennungsgeräte, LCD-Displays, Energiezähler, elektromagnetische Schlösser und externe Not-Aus-Tasten. Zusammen ermöglichen diese Geräte die vielfältigen Funktionen der Ladesäule, darunter DLB (dynamischer Lastausgleich) und PEN-Fehlerschutz.
Diese Funktionen bieten den Herstellern und Installateuren von Ladesäulen eine kostengünstige Lösung, die den Ladeanforderungen in verschiedenen Anwendungsszenarien gerecht wird.
Hochleistungsladen: Unterstützt AC-Laden mit bis zu 22 kW und gewährleistet so ein schnelles und effizientes Laden einer breiten Palette von Elektrofahrzeugen.
Unterstützung für Steckdosen Typ 2: Entwickelt für Ladestationen mit Steckdosen Typ 2, dem in Europa und vielen anderen Regionen weltweit am weitesten verbreiteten Standard.
Intelligentes Laden: Verfügt über erweiterte Lastausgleichsfunktionen, um die Stromverteilung zu optimieren und eine Netzüberlastung zu verhindern.
Sichere Authentifizierung: Unterstützt die Integration von RFID-Kartenlesern für eine zuverlässige Benutzerauthentifizierung und Zugriffskontrolle.
Vielseitige Konnektivität: Unterstützt Modbus-RTU-Protokoll und RS485-Kommunikationsmethode für robuste Kommunikation mit Backend-Systemen.
Platzsparendes Design: Die kompakte Konstruktion ermöglicht eine einfache Integration in verschiedene Ladestationsdesigns.
Langlebige Konstruktion: Konstruiert, um unterschiedlichen Umgebungsbedingungen standzuhalten und so langfristige Zuverlässigkeit bei Installationen im Freien zu gewährleisten.
Sicherheitskonform: Erfüllt die relevanten IEC-Normen für Ladegeräte für Elektrofahrzeuge und garantiert so einen sicheren und zuverlässigen Betrieb.
Ladestationen für Elektrofahrzeuge für Privathaushalte
Ladelösungen für den Arbeitsplatz
Öffentliche Parkmöglichkeiten
Gewerbe- und Einzelhandelsstandorte
Flottenladestationen
Gastgewerbe (Hotels, Restaurants)
Mehrfamilienhäuser
Der EKEPC2 AC-Ladestationscontroller steht für das Engagement von ETEK Electric, die Ladetechnologie für Elektrofahrzeuge weiterzuentwickeln. Wenn Sie diesen Controller für Ihre Ladestationen auswählen, investieren Sie in eine intelligente, effiziente und zukunftssichere Lösung, die den sich entwickelnden Anforderungen von Benutzern von Elektrofahrzeugen und Ladestationsbetreibern gleichermaßen gerecht wird.
Seine Kombination aus hoher Leistungsfähigkeit, intelligenten Funktionen und Konformität mit Industriestandards macht den EKEPC2 zu einer ausgezeichneten Wahl für Unternehmen und Privatpersonen, die eine zuverlässige und benutzerfreundliche Ladeinfrastruktur für Elektrofahrzeuge aufbauen möchten.
Kontaktieren Sie ETEK Electric noch heute, um mehr darüber zu erfahren, wie der EKEPC2 AC-Ladestations-Controller Ihre EV-Ladelösungen verbessern und zum Wachstum einer nachhaltigen Transportinfrastruktur beitragen kann.
| Modell | EKEPC2-C (Sockeltyp) | EKEPC2-S (Kabeltyp) |
| Betriebsspannung | 230 V ± 10 % | |
| Hilfsausgangsspannung | DC12 V/100 mA, DC5 V/100 mA | |
| Lademodus | Mode 3 gemäß IEC61851-1 über IEC62196-2 oder SAE J1172 (Steckdose oder Kabeldose) | |
| Ladestrom | 16 A (6-8-13-16 A, einstellbar) | |
| 32 A (10-16-20-25-32 A, einstellbar) | ||
| 63A (Kundenspezifisch) | ||
| Grundfunktionen | Übertemperaturschutz | |
| Zusätzliche Funktionen und kompatible Geräte | DC-Leckstromerkennung (≥6 mA), erfordert externe RCMU | |
| RFID Start-Stopp-Funktion, erfordert eine RFID-Karte und einen externen Kartenleser | ||
| LED-Ladestatusanzeige und LCD-Bildschirmanzeige, externe LED-Leuchten und LCD-Bildschirm sind erforderlich. | ||
| Magnetverriegelung für Steckdose | ||
| DLB erfordert ein externes CT- oder MID-Messgerät mit einem Verhältnis von 100 A/5 A. | ||
| Für die Echtzeitüberwachung von Spannung, Strom und Leistung sind ein externer CT mit einem Verhältnis von 100 A/5 A und ein MID-zertifiziertes Messgerät erforderlich. | ||
| PEN-Fehlerschutz, externer SPD erforderlich | ||
| Für die Not-Aus-Funktion ist ein externer Not-Aus-Schalter erforderlich. | ||
| Die Einstellungen für den Überspannungs-, Unterspannungs- und Überstromschutz müssen im Softwarehintergrund konfiguriert werden. | ||
| Kommunikationsprotokoll | Modbus-RTU-Protokoll und RS485-Kommunikationsmodus | |
| Betriebstemperatur | -25 °C bis 50 °C | |
| Relative Luftfeuchtigkeit | 5 % bis 95 % | |
| Höhe | ≤2000m | |
| Schutzklasse | IP22 | |
| Kühlmethode | Natürliche Kühlung | |
| Montage | DIN-Schiene (35 mm) | |
| Terminal | Beschreibung |
| M | Anschluss an Wechselstrom „live“ oder „line“ mit 230 V ± 10 % bei 50 Hz |
| N | Anschluss an AC-Neutralleitung mit 230 V ± 10 % bei 50 Hz |
| Platz 1 | Anschluss an Schützspule A1 |
| Platz 2 | Anschluss an Schützspule A2 |
| FB | Rückmeldesignal der Magnetverriegelung. Wenn die Rückmeldefunktion gewählt ist, wird die Rückmeldefunktion der Magnetverriegelung |
| FB (0V) | Die Verriegelung wird gelesen. |
| MH | Liefert einen Antriebsstrom, um die Magnetverriegelung kontinuierlich mit Strom zu versorgen. |
| Liefert einen Antriebsstrom, um den Zustand der motorisierten Verriegelung auf „Verriegelt“ zu ändern. Das Signal wird 500 ms lang aktiviert und wechselt in Impulsintervalle von 500 ms, bis das Schloss geschlossen wird. | |
| Nennleistung 12 V, 300 mA. | |
| ML | Stellt einen Rückweg für den Antriebsstrom ML der Magnetverriegelung bereit. |
| Stellt einen Antriebsstrom bereit, um den Zustand der motorisierten Verriegelung auf „Entriegelt“ zu ändern. | |
| Nennleistung 12 V, 300 mA. | |
| 0 V | 0-V-Anschlussklemme für RCMU- und IC-Kartenschaltkreis |
| ROT | Verbunden mit der roten Kontrollleuchte, Nennleistung 5 V 10 mA |
| GRE | Verbunden mit der grünen Kontrollleuchte, Nennleistung 5 V 10 mA |
| BLAU | Verbunden mit der blauen Kontrollleuchte, Nennleistung 5 V 10 mA |
| IC | Verbinden Sie das Eingangssignal der IC-Kartensteuerung mit dem TTL-Pegelsignal (DC 3,3 V/5 V) und verbinden Sie die andere Seite mit dem 0-V-Anschluss. |
| FLT | Stellen Sie eine Verbindung zum RCMU „Fehlerausgang“ her, um das Fehlersignal von der RCMU zu lesen. |
| TST | Verbinden Sie sich mit dem RCMU „Test“. Der Controller sendet vor jedem Ladevorgang ein Testsignal an die RCMU, um festzustellen, ob die RCMU normal funktioniert. |
| +12V | 12V-Stromversorgung, Nennleistung DC+12V, 100mA |
| CT1 | An den Hauptstromkreis CT1 anschließen. Wenn der Controller die DLB-Funktion einschaltet, muss das Hauptstromkreis-CT-Signal angeschlossen werden (Signal: AC0-5A). |
| CT2 | Verbinden Sie sich mit der anderen Seite des Hauptstromkreises, CT1. |
| PE | Erdungsklemme für die Stromversorgung |
| CP | Steuerstift. Verbindung zum CP der IEC61851/J1772 EVSE-Buchse/des EVSE-Steckers. |
| PP | Proximity-Pin. Verbindung zum PP der IEC61851 EVSE-Buchse. |
| +5 V | Stromversorgung, Nennleistung DC+5V, 100mA |
| Eine Note | Sie sind jeweils mit den A+- und B--Ports der RS485-Kommunikation verbunden und können mit RS485-Geräten kommunizieren. Der Kommunikationsstandard entspricht dem Modbus-RTU-Modus, Baudrate: 38400, n,8.1, und die Standardadressnummer lautet: 01H. |
| B- |
Um den Heimwerker-Bedürfnissen der Benutzer gerecht zu werden, verfügt dieser Controller über einen integrierten DIP-Schalter auf der Leiterplatte (die Controller-Abdeckung muss entfernt werden), der es Benutzern mit einem gewissen Maß an Elektrokenntnissen ermöglicht, verschiedene Zusatzfunktionen einfacher zu implementieren.

| Schalterstellung | NEIN. | Beschreibung |
| AN | 1 | Arbeitsmodus der Socket-Version |
| 2 | RCMU-Modulfunktion hinzufügen | |
| 3 | IC-Karten-Arbeitsmodus aktivieren | |
| 4 | Sicherheitszuhaltungsfunktion aktivieren | |
| 5 | DLB-Stromausgleichs-Arbeitsmodus aktivieren | |
| 6 | Extern anschließbares LCD-Display | |
| AUS | 1 | Arbeitsmodus der Kabelversion |
| 2 | Keine RCMU-Modulfunktion | |
| 3 | IC-Karten-Arbeitsmodus deaktivieren (wird aktiviert, wenn die Karte verloren geht) | |
| 4 | Magnet-Zuhaltungsfunktion deaktivieren | |
| 5 | Standard-Arbeitsmodus | |
| 6 | Extern nicht anschließbares LCD-Display |

