Mechanisches Kombinationssystem
Die Montage und Demontage des vierten Pols und des Hilfskontaktes erfolgt schnell und einfach ohne Werkzeug.
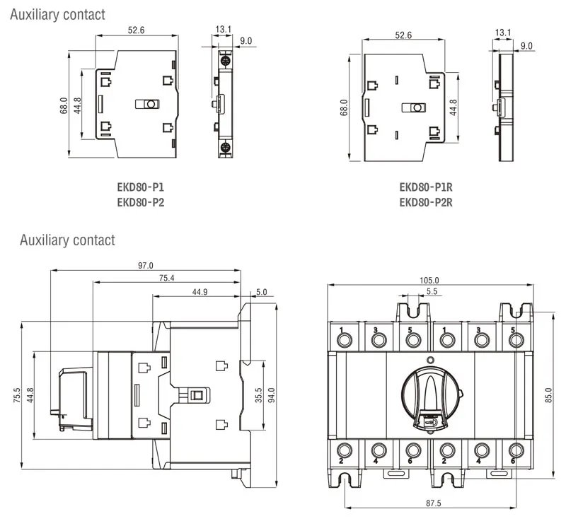
![]() | |||||
01 | Zusätzliche Hilfskontakte | 02 | Klemmenabdeckung | 03 | Seitlich montierbarer Zusatz-Vierter Pol |
Der Trennschalter übernimmt die gleiche Hilfsfunktion Der Trennschalter kann mit bis zu | Die Klemmenabdeckung des Trennschalters verfügt über eine einfache | Simultan- oder Frühkontaktbetrieb | |||
04 | Schaltergehäuse | 05 | Mechanischer Verriegelungsmechanismus | 06 | Drehbarer Griff |
Der Schalter übernimmt Kompressionskontakt | Der Innenraum besteht aus hochleitfähigem | Drehbarer Griff mit Fehlbedienungsschutz | |||
Schieneninstallationsmethode

Typ | 3 Punkte | EKD80-DB63R-6R-IM2 | EKD80-DB80R-6R-IM2 | EKD80-DB100R-6R-IM2 | EKD80-DB63R-3R-IM31 | EKD80-DB80R-3R-IM31 | EKD80-DB100R-3R-IM31 | EKD80-DB63R-3R-IM32 | EKD80-DB80R-3R-IM32 | EKD80-DB100R-3R-IM32 |
4P | EKD80-DB63R-8R-IM2 | EKD80-DB80R-8R-IM2 | EKD80-DB100R-8R-IM2 | EKD80-DB63R-4R-IM31 | EKD80-DB80R-4R-IM31 | EKD80-DB100R-4R-IM31 | EKD80-DB63R-4R-IM32 | EKD80-DB80R-4R-IM32 | EKD80-DB100R-4R-IM32 | |
Aktuell Vereinbarter Heizstrom (≤40°C) | 63A | 80A | 100A | 63A | 80A | 100A | 63A | 80A | 100A | |
IEC-zertifizierter Betrieb aktuelle Datei AC-21 A/B (≤690 V) | 63A/63A | 80A/80A | 100A/100A | 63A/63A | 80A/80A | 100A/100A | 63A/63A | 80A/80A | 100A/100A | |
IEC-zertifiziert | 415 V | 63A/63A | 80A/80A 63A/80A | 100A/100A 63A/80A | 63A/63A | 80A/80A | 100A/100A | 63A/63A | 80A/80A | 100A/100A |
500 V | ||||||||||
690 V | 40A/63A | 80A/80A | 80A/80A | 40A/63A | 63A/80A | 63A/80A | 40A/63A | 63A/80A | 63A/80A | |
IEC-zertifiziert | 415 V | 63A/63A | 80A/80A | 100A/100A | 63A/63A | 80A/80A | 80A/80A | 63A/63A | 80A/80A | 80A/80A |
500 V | 63A/63A | 63A/63A | 63A/63A | |||||||
690 V | 40A/40A | 40A/40A | 40A/40A | |||||||
IEC-zertifiziert | 110 V Gleichstrom | 63A① | 80A① | 100 A① | 63A① | 80A① | 100 A① | 63A① | 80A① | 100 A① |
250 V Gleichstrom | 63A② | 80A② | 100 A② | 63A② | 80A② | 100 A② | 63A② | 80A② | 100 A② | |
400 V Gleichstrom | 40A③ | 40A③ | 40A③ | |||||||
IEC-zertifiziert | 415 V | 30KW | 37KW | 45KW | 30KW | 37KW | 45KW | 30KW | 37KW | 45KW |
500 V | ||||||||||
690 V | ||||||||||
Kurzschlussfestigkeitsstrom der Sicherung (kA rms erwarteter Wert) | ||||||||||
Sicherungsklasse | 415 V | 63A | 80A | 100A | 63A | 80A | 100A | 63A | 80A | 100A |
Bedingt bewertet Kurzschlussstrom | 415 V | 50 kA | ||||||||
Kurzschlussfestigkeit des Leistungsschalters zum Schutz, jeder Leistungsschalter, der innerhalb von 0,3 s auslösen kann | ||||||||||
Bemessungs-Kurzzeit Stromaufnahme | 0,3 Sekunden | 3 kA | ||||||||
Kurzschlussverhalten (ungeschützt) | ||||||||||
Bemessungs-Kurzzeit Stromaufnahme | 1S | 1,5 kA | ||||||||
Bemessungskurzschluss Herstellungskapazität | 2,1 kA | |||||||||
Querbereich der Terminals | 2,5 bis 35 mm² | |||||||||
Bemessungsisolationsspannung Ui | 800 V | |||||||||
Bemessungsstoßfestigkeit Spannung Uimp | 8 kV | |||||||||
Mechanische Lebensdauer | 100000 | |||||||||
Umgebungstemperatur | Betrieb -25...+55℃ Lagerung -40...+70°C | |||||||||
①Jeder Pol wird als Plus- und Minuspol verwendet
②Drei Pole werden in Reihe mit Plus- und Minuspolen verwendet, davon zwei Pole in Reihe und der andere ist negativ
③Vier Pole werden in Reihe mit Plus- und Minuspolen verwendet
Seitlich montierbare Zusatzstangen



Seitlich montierbare Zusatzstangen


Zusätzliche Hilfskontakte

Klemmenabdeckung

Mechanischer Verriegelungsmechanismus

Drehbare Griffteile






