
1.Was ist ein digitales Voltmeter?Ein digitales Voltmeter, abgekürzt DVM, ist ein Instrument zum Messen der elektrischen Potentialdifferenz zwischen zwei Punkten in einem Stromkreis. Die Spannung kann ein Wechselstrom (AC) oder ein Gleichstrom (DC) sein. Es misst die Eingangsspannung, nachdem es die analoge Spannung in eine digitale Spannung umgewandelt hat, und zeigt sie mithilfe eines Konverters im Zahlenformat an. Die Verwendung eines digitalen Voltmeters hat die Geschwindigkeit und Genauigkeit erhöht, mit der die Messwerte aufgezeichnet werden.
1. Ein digitales Voltmeter wird verwendet, um die tatsächliche Spannung verschiedener Komponenten zu ermitteln.
2.DVM wird häufig verwendet, um zu prüfen, ob im Stromkreis, beispielsweise in einer Netzsteckdose, Strom vorhanden ist.
3. Kennt man die Spannung in einem Stromkreis, kann man den Strom berechnen.
1. Im Gegensatz zu analogen Voltmetern müssen Sie die Messwerte nicht manuell ermitteln, um die Spannung, den Ohm oder den Amperewert zu erhalten.
2. Digitale Voltmeter liefern präzise und computergenerierte Messwerte auf dem Bildschirm, wodurch Fehler vermieden werden, die bei menschlicher Ablesung auftreten können.
3. Sie liefern im Vergleich zu den Messwerten eines analogen Voltmeters genaue und schnelle Messwerte.
4. Bei digitalen Voltmetern müssen Sie keine Berechnungen durchführen und sie sind stabiler, zuverlässiger und verlässlicher.
5. Digitale Voltmeter liefern genaue Ergebnisse und sind nicht von der Kompetenz des Ablesers abhängig, wie das Ablesen analoger Voltmeter.
6. Digitale Voltmeter sind kostengünstig und kleiner, sodass sie einfach zu handhaben und zu verwenden sind.
7. Digitale Voltmeter können sowohl Wechsel- als auch Gleichspannungen messen.
8. In einigen neueren digitalen Voltmetern sind Mikrocontroller vorhanden, mit deren Hilfe Sie die Messwerte zur weiteren Verarbeitung speichern können.
Elektrische Eigenschaften | |
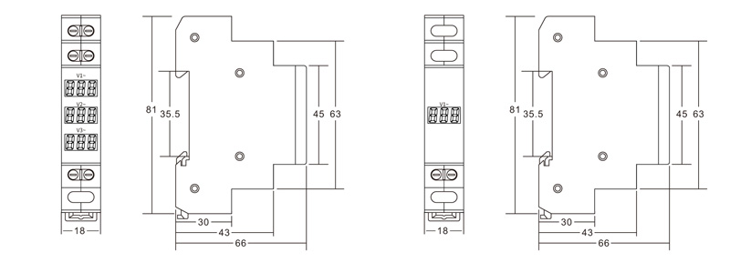
| Typ | EKMV1: Einphasige 1 LED-Digitalanzeige |
| EKMV3: Dreiphasige 3-LED-Digitalanzeige | |
| Klemme für Verdrahtung | Einphasig L+N |
| Dreiphasig 3L+3N | |
| Digitale Farbe | Rot |
| Messspannungsbereich | Wechselstrom 80 V bis 500 V |
| Nennfrequenz | 50/60 Hz |
| Arbeitsstrom | ≤20 mA |
| Messgenauigkeit | 1 |
| Messrate | >200MS/Zeit |
| Schutzart | IP20 |
| Elektrische Lebensdauer | ≥15000 Stunden |
Arbeitsbedingungen | |
| Umgebungstemperatur (mit Tagesdurchschnitt ≤ 35 °C) | -5℃~+40℃ |
| Lagertemperatur | -25℃~+70℃ |
| Relative Luftfeuchtigkeit | 10-80% (keine Kondensation) |
| Arbeitsdruck | 80 bis 160 kPa |
| Sonnenschein | kein Sonnenschein |
Installation | |
| Anschlussklemme für Verdrahtung | 1,5mm² |
| Montage | Auf DIN-Schiene EN60715 (35 mm) mittels Schnellklemmvorrichtung |

