Der Drehschalter der EKRS-Serie wird hauptsächlich für Stromkreise mit 440 V und darunter, Wechselstrom 50 Hz oder Gleichstrom 240 V und darunter verwendet. Zum Öffnen und Schließen und Umschalten von Stromkreisen wird häufig manueller Betrieb benötigt. Und die typische Anwendung sind: Steuerschalter für Drehstrommotoren, Steuerschalter für Schaltanlagen, Steuerschalter für Instrumente und Umschalter für Maschinen und Schweißgeräte.
● Die Serie entspricht IEC 60947-3, IEC 60947-5-1.
● Die EKRS26-Serie hat 8 Nennströme: 10 A, 20 A, 25 A, 32 A, 63 A, 125 A, 160 A und 315 A.
● Die Drehschalter der Serie EKRS26 wurden für mehrere Funktionen und ein breites Anwendungsspektrum entwickelt.
● EKRS26-10, EKRS26-20, EKRS26-25 und EKRS26-32F verfügen über Klemmen mit Fingerschutz.
● Beide sind in Schaltkreisen anwendbar, wenn eine physikalische Steuerung erforderlich ist.
● Wir können Schutzboxen für 20 A, 25 A, 32 A und 63 A ausstatten.
● Die Umgebungstemperatur überschreitet nicht 40 °C und die Durchschnittstemperatur, gemessen über einen Zeitraum von 24 Stunden, überschreitet nicht 35 °C.
● Die Umgebungstemperatur sollte nicht unter -25 °C liegen.
● Sollte nicht über 2000 m über dem Meeresspiegel installiert werden
● Bei einer Umgebungstemperatur von 40 °C sollte die Luftfeuchtigkeit 50 % nicht überschreiten. Bei niedrigeren Temperaturen ist eine höhere Luftfeuchtigkeit zulässig.
● Eine saubere Umgebung ist erforderlich
● Bitte folgen Sie unserem Handbuch
Verwendung als Steuerschalter

Einsatz als Motorschalter

Verwendung als Steuerschalter für einen Hauptstromkreis

● Umschalter
● Motorschalter
● Steuerschalter
● Eingeschränkte Bewegung
● Federrückstellung
● Begrenzte Bewegung mit Federrückzug
● Schalter mit eingeschränkter Bewegung können maximal 12 Schichten haben (für 32 A und darunter). Und für 63 A und darüber können maximal 8 Schichten vorhanden sein.
● Schalter mit Federrückstellung können maximal 3 Lagen haben
● Motorschalter können maximal 6 Lagen haben
| Betrieb Winkel |
Charakter Code |
Position des Griffs | |||
| 30° Drehung | 45° Drehung | 60° Drehung | 90° Drehung | ||
| Frühling zurückgeben |
A | 0° ← 30° | 0° ← 45° | 0° ← 60° | 0° ← 90° |
| B | 30° → 0° ← 30° | 45° → 0° ← 45° | 60° → 0° ← 60° | 90° → 0° ← 90° | |
| X | 60° → 30° → 0° ← 30° ← 60° | 90° → 45° → 0° ← 45° ← 90° | |||
| Y | 90° → 60° → 30° → 0° ← 30° ← 60° ← 90° | ||||
| Beschränkt Bewegung |
C | 0° 30° | 0° 45° | 0° 60° | |
| D | 30° 0° 30° | 45° 0° 45° | 60° 0° 60° | ||
| E | 30° 0° 30° 60° | 45° 0° 45° 90° | 60° 0° 60° 120° | ||
| F | 60° 30° 0° 30° 60° | 90° 45° 0° 45° 90° | 60° 0° 60° 120° | ||
| G | 60° 30° 0° 30° 60° 90° | 90° 45° 0° 45° 90° 135° | 120° 60° 0° 60° 120° 180° | ||
| H | 90° 60° 30° 0° 30° 60° 90° | 135° 90° 45° 0° 45° 90° 135° | |||
| ICH | 90° 60° 30° 0° 30° 60° 90° 120° | 135° 90° 45° 0° 45° 90° 135° 180° | |||
| J | 120° 90° 60° 30° 0° 30° 60° 90° 120° | ||||
| K | 20° 90° 60° 30° 0° 30° 60° 90° 120° 150° | ||||
| M | 150° 120° 90° 60° 30° 0° 30° 60° 90° 120° 150° | ||||
| M | 150° 120° 90° 60° 30° 0° 30° 60° 90° 120° 150° 180° | ||||
| N | 45° 45° | 30° 30° | |||
| P | 90° 0° 90° | ||||
| T | 0° 90° | ||||
| V | 90° 0° | ||||
| Beschränkt Bewegung mit Feder zurückkehren |
R | 30° 0° ← 30° | 270° 0° 90° 180° | ||
| Q | 30° → 0° 60° | 135° 90° 45° 0° ← 45° | |||
| S | 135° 90° 45° 0° ← 45° | ||||
| B | 30° → 90° 0° ← 30° | 90° → 45° 0° 45° ← 90° | |||
Mechanische Lebensdauer ohne Last: 0,1×106 Mal, Betriebsfrequenz beträgt 120 Mal/h.
Mechanische Lebensdauer mit Last: 0,03 × 106 Mal, Betriebsfrequenz beträgt 120 Mal/h.
| Beschreibung | EKRS 26-10 |
EKRS 26-20 |
EKRS 26-25 |
EKRS 26-32 |
EKRS 2626-63 |
EKRS 26-125 |
EKRS 26-160 |
EKRS 26-315 |
||||||||||
| Bemessungsisolationsspannung | Benutzeroberfläche | V | 660 | 660 | 660 | 660 | 660 | 660 | 660 | 660 | ||||||||
| Thermischer Nennstrom | I. | A | 10 | 20 | 25 | 32 | 63 | 125 | 160 | 315 | ||||||||
| Nennbetriebsspannung | Ue | V | 240 | 440 | 240 | 440 | 240 | 440 | 240 | 440 | 240 | 440 | 240 | 440 | 240 | 440 | 240 | 440 |
| Bemessungsbetriebsstrom Ie | ||||||||||||||||||
| AC-21A, AC-22A | A | 10 | 10 | 20 | 20 | 25 | 25 | 32 | 32 | 63 | 63 | 100 | 100 | 150 | 150 | 315 | 315 | |
| AC-23A | A | 7.5 | 7.5 | 15 | 15 | 22 | 22 | 30 | 30 | 57 | 57 | 90 | 90 | 135 | 135 | 265 | 265 | |
| AC-2 | A | 7.5 | 7.5 | 15 | 15 | 22 | 22 | 30 | 30 | 57 | 57 | 90 | 90 | 135 | 135 | 265 | 265 | |
| AC-3 | A | 5.5 | 5.5 | 11 | 11 | 15 | 15 | 22 | 22 | 36 | 36 | 75 | 75 | 95 | 95 | 110 | 110 | |
| AC-4 | A | 1,75 | 1,75 | 3.5 | 3.5 | 6.5 | 6.5 | 11 | 11 | 15 | 15 | 30 | 30 | 55 | 55 | 95 | 95 | |
| AC-15 | A | 2.5 | 1.5 | 5 | 4 | 8 | 5 | 14 | 6 | |||||||||
| AC-13 | A | 0,4 | 0,5 | |||||||||||||||
| Leistung | ||||||||||||||||||
| AC-23A | KW | 1.8 | 3 | 3.7/ 2.5 |
7,5/ 3.7 |
5.5 /3 |
11/ 5.5 |
7.5 /4 |
1,5/ 7.5 |
15 /10 |
30/ 18,5 |
30/ 15 |
45/ 22 |
37/ 22 |
75/ 37 |
75/ 37 |
132 /55 |
|
| AC-2 KW | KW | 2.5 | 3.7 | 4 | 7.5 | 5.5 | 11 | 7.5 | 15 | 18,5 | 30 | 30 | 45 | 37 | 55 | 55 | 95 | |
| AC-3 KW | KW | 1.5 | 2.2 |
3/ |
5,5/3 | 4/3 |
7.5 |
5.5 |
11/ |
11 |
18,5 /11 |
15/ 7.5 |
30 /13 |
22 /11 |
37/ 18,5 |
27 /22 |
55 /30 |
|
| AC-4 KW | KW | 0,37 | 0,55 |
0,55/ |
1,5/ |
1.5 |
3/ |
2.7 |
5.5 |
5.5 |
7.5 /4 |
6/3 | 12/ 5.5 |
10 /4 |
15/ 7.5 |
15/ 7.5 |
25 /11 |
|
Re1: Neutral
Re2: Die Kraft unter:
AC-23A, AC-3, AC-4 sind dreiphasige Dreipol-Stromkreise, und der Nenner stellt die Leistung bei einphasigen Zweipol-Stromkreisen dar.



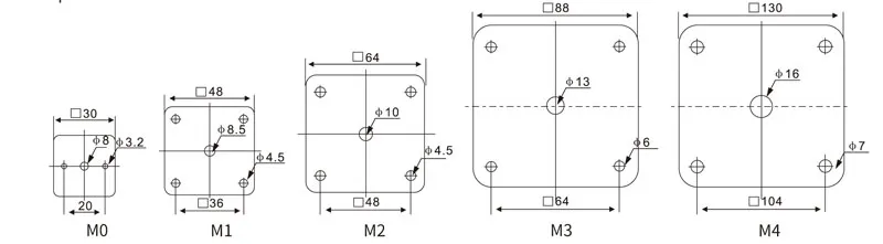
Quadratisches Schild und rechteckiges Schild






|
Beschreibung |
Schild |
Abmessungen (mm) |
Installation (mm) |
||||||
|
A |
B |
C |
L |
E |
F |
D1 |
D2 |
||
|
EKRS26-10 |
M0 Quadrat |
30 |
30 |
28 |
22+8n |
20 |
|
φ8 |
φ3.2 |
|
EKRS26-20 |
M1 Quadrat |
48 |
48 |
43 |
22+9.6n |
36 |
36 |
φ8.5 |
φ4.5 |
|
M1 Rechteck |
48 |
60 |
43 |
22+9.6n |
36 |
36 |
φ8.5 |
φ4.5 |
|
|
M2 Quadrat |
64 |
64 |
43 |
25+9.6n |
48 |
48 |
φ10 φ10 |
φ4.5 φ4.5 |
|
|
M2 Rechteck |
64 |
80 |
34 |
25+9.6n |
48 |
48 |
|
|
|
|
EKRS26-25 |
M1 Quadrat |
48 |
48 |
45.2 |
23+12.8n |
36 |
36 |
φ8.5 |
φ4.5 |
|
M1 Rechteck |
48 |
60 |
45.2 |
23+12.8n |
36 |
36 |
φ8.5 |
φ4.5 |
|
|
M2 Quadrat |
64 |
64 |
45.2 |
26.5+12.8n |
48 |
48 |
φ10 φ10 |
φ4.5 φ4.5 |
|
|
M2 Rechteck |
64 |
88 |
45.2 |
26.5+12.8n |
48 |
48 |
|
|
|
|
EKRS26-32 |
M2 Quadrat |
64 |
64 |
58 |
29.2+12.8n |
48 |
48 |
φ10 |
φ4.5 |
|
M2 Rechteck |
64 |
80 |
58 |
29.2+12.8n |
48 |
48 |
φ10 |
φ4.5 |
|
|
M3 Quadrat |
88 |
88 |
58 |
29.2+12.8n |
68 |
68 |
φ13 |
φ6 |
|
|
EKRS26-63 |
M2 Quadrat |
64 |
64 |
66 |
29.2+21.5n |
48 |
48 |
φ10 |
φ4.5 |
|
M2 Rechteck |
64 |
80 |
66 |
29.2+21.5n |
48 |
48 |
φ10 φ13 |
φ4.5 |
|
|
M3 Quadrat |
88 |
88 |
66 |
29.2+21.5n |
68 |
68 |
|
φ6 |
|
|
EKRS26-125 |
M3 Quadrat |
88 |
88 |
84 |
35+26.5n |
68 |
68 |
φ13 |
φ6 |
|
EKRS26-160 |
M3 Quadrat |
88 |
88 |
88 |
35+32.5n |
68 |
68 |
φ13 |
φ6 |
|
EKRS26-315 |
M4 Quadrat |
130 |
130 |
126 |
39.5+38.5n |
104 |
104 |
φ16 |
φ7 |
Betreff: n für Anzahl der Schichten
Aufgrund der flexiblen Auswahl der Kontaktwerte und Kontaktzahlen usw. der EKRS-Serie ist ihre Kombinationszahl nahezu unbegrenzt, um sicherzustellen, dass für die Anwendung der richtige Schalter ausgewählt wird. Daher bereiten wir für die Bestellung spezieller Schalter durch unsere Kunden das folgende Formular für kundenspezifische Programme vor. Nur Serie EKRS26.


