
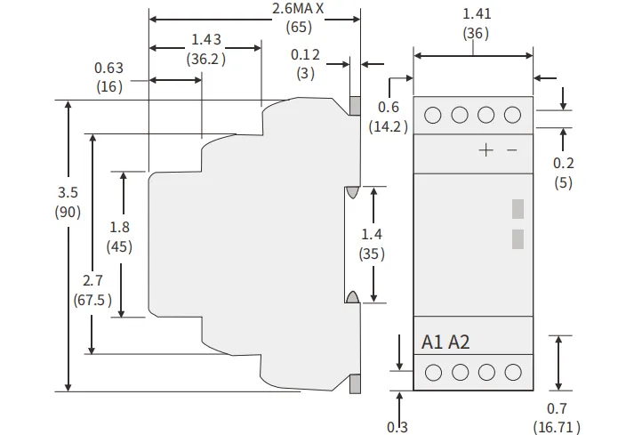
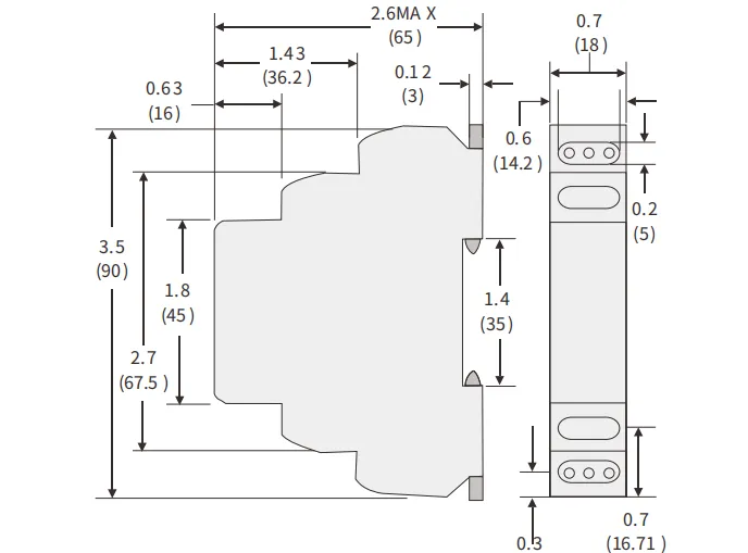
Die EKR8-4-Serie ist ein kostengünstiges und ultradünnes Schienennetzteil, das den deutschen Industriestandards entspricht. Es eignet sich für die Installation auf 35/7,5- oder 35/15-Schienen. Um Platz zu sparen, ist das Gehäuse 18 mm (1SU) bzw. 36 mm (2SU) breit. Die gesamte Serie nutzt einen vollständigen AC-Eingangsbereich von 85 VAC bis 264 VAC (277 VAC ist ebenfalls anwendbar) und entspricht der Norm EN61000-3-2 für die von der Europäischen Union festgelegten Oberschwingungsstromspezifikationen.
Die EKR8-4-Serie ist mit einer Kunststoffhülle ausgestattet, die Benutzer effektiv vor elektrischen Gefahren schützen kann. Die Arbeitseffizienz liegt bei bis zu 87 %. Unter Luftzirkulation kann die gesamte Serie bei einer Umgebungstemperatur von -30 bis 70 Grad arbeiten. Sie verfügt über vollständige Schutzfunktionen und entspricht den relevanten Zertifizierungsstandards für Heimautomatisierung und industrielle Steuergeräte (IEC62368-1, EN61558-2-16), was die EKR8-Serie zu einer äußerst wettbewerbsfähigen Stromversorgungslösung für Heim- und Industrieanwendungen macht.
1. Sofern nicht anders angegeben, werden alle Spezifikationsparameter bei 230 V Wechselstrom-Eingang, Nennlast und einer Umgebungstemperatur von 25 Grad gemessen.
2. Methode zur Messung von Welligkeit und Rauschen: Es wird ein 12 mm2 großes Twisted Pair-Kabel verwendet und die Anschlüsse werden parallel mit den Kondensatoren von 0,1 uF und 47 uF verbunden und die Messung wird mit einer Bandbreite von 20 MHz durchgeführt.
3. Genauigkeit: einschließlich Einstellungsfehler, linearer Anpassungsrate und Lastanpassungsrate.
EKR8-4111805 | EKR8-4111812 | EKR8-4111815 | EKR8-4111824 | EKR8-4111848 | ||
| Ausgabe | Gleichspannung | 5 V | 12V | 15 V | 24 V | 48 V |
Nennstrom | 2,4 A | 1,25 A | 1A | 0,63 A | 0,32 A | |
Nennleistung | 12W | 15 W | 15 W | 15,2 W | 15,4 W | |
Welligkeit und Rauschen (max.) | 80 mV Spitze-Spitze | 120 mV Spitze-Spitze | 120 mV Spitze-Spitze | 150 mV Spitze-Spitze | 240 mVss | |
Spannungseinstellbereich | 4,5 bis 5,5 V | 10,8 – 13,8 V | 13,5 – 18 V | 21,6-29 V | 43,2-55,2 V | |
Spannungsgenauigkeit | ⼠2,0 % | ⼠1,0 % | ⼠1,0 % | ⼠1,0 % | ⼠1,0 % | |
Lineare Anpassungsrate | ⼠1,0 % | ⼠1,0 % | ⼠1,0 % | ⼠1,0 % | ⼠1,0 % | |
Lastanpassungsrate | ⼠1,0 % | ⼠1,0 % | ⼠1,0 % | ⼠1,0 % | ⼠1,0 % | |
Start- und Anstiegszeit | 2000 ms, 80 ms/230 VAC, 2000 ms, 80 ms/115 VAC (unter Volllast) | |||||
Haltezeit (typ.) | 300 ms/230 VAC, 12 ms/115 VAC (unter Volllast) | |||||
Eingang | Spannungsbereich | 85–264 V Wechselstrom (277 V Wechselstrom verfügbar), 120–370 V Gleichstrom (390 V Gleichstrom verfügbar) | ||||
Frequenzbereich | 47-63 Hz | |||||
Effizienz (Typ.) | 80 % | 85 % | 85,5 % | 86 % | 87 % | |
Wechselstrom (Typ.) | 0,5 A/115 V Wechselstrom, 0,25 A/230 V Wechselstrom | |||||
Stoßstrom (Typ.) | Kaltstart: 25 A/115 VAC, 45 A/230 VAC | |||||
Schutz | Überlast | 110-145 % der Nennausgangsleistung | ||||
Wenn die Ausgangsspannung weniger als 50 % beträgt, befindet es sich im Hiccup-Modus und kann sich automatisch erholen, nachdem der anormale Lastzustand behoben wurde. Wenn die Ausgangsspannung 50–100 % beträgt, befindet es sich im Konstantstrommodus und kann sich nach Beseitigung des anormalen Lastzustands automatisch erholen. | ||||||
Überspannung | 5,75 bis 6,75 V | 14,2-16,2 V | 18,8 – 22,5 V | 30 bis 36 V | 56,5 bis 64,8 V | |
Schutzmodus: Ausgang abschalten, mit Zenerdiode klemmen | ||||||
EKR8-4113605 | EKR8-4113612 | EKR8-4113615 | EKR8-4113624 | EKR8-4113648 | ||
| Ausgabe | Gleichspannung | 5 V | 12V | 15 V | 24 V | 48 V |
Nennstrom | 3A | 2A | 2A | 1,5 A | 0,75 A | |
Nennleistung | 15 W | 24W | 30 Watt | 36W | 36W | |
Welligkeit und Rauschen (max.) | 80 mV Spitze-Spitze | 120 mV Spitze-Spitze | 120 mV Spitze-Spitze | 150 mV Spitze-Spitze | 240 mVss | |
Spannungseinstellbereich | 4,5 bis 5,5 V | 10,8 – 13,8 V | 13,5 – 18 V | 21,6-29 V | 43,2-55,2 V | |
Spannungsgenauigkeit | ⼠2,0 % | ⼠1,0 % | ⼠1,0 % | ⼠1,0 % | ⼠1,0 % | |
Lineare Anpassungsrate | ⼠1,0 % | ⼠1,0 % | ⼠1,0 % | ⼠1,0 % | ⼠1,0 % | |
Lastanpassungsrate | ⼠1,0 % | ⼠1,0 % | ⼠1,0 % | ⼠1,0 % | ⼠1,0 % | |
Start- und Anstiegszeit | 2000 ms, 80 ms/230 VAC, 2000 ms, 80 ms/115 VAC (unter Volllast) | |||||
Haltezeit (typ.) | 300 ms/230 VAC, 12 ms/115 VAC (unter Volllast) | |||||
Eingang | Spannungsbereich | 85–264 V Wechselstrom (277 V Wechselstrom verfügbar), 120–370 V Gleichstrom (390 V Gleichstrom verfügbar) | ||||
Frequenzbereich | 47-63 Hz | |||||
Effizienz (Typ.) | 82 % | 88 % | 89 % | 89 % | 90 % | |
Wechselstrom (Typ.) | 0,5 A/115 V Wechselstrom, 0,25 A/230 V Wechselstrom | |||||
Stoßstrom (Typ.) | Kaltstart: 25 A/115 VAC, 45 A/230 VAC | |||||
Schutz | Überlast | 110-145 % der Nennausgangsleistung | ||||
Wenn die Ausgangsspannung weniger als 50 % beträgt, befindet es sich im Hiccup-Modus und kann sich automatisch erholen, nachdem der anormale Lastzustand behoben wurde. Wenn die Ausgangsspannung 50–100 % beträgt, befindet es sich im Konstantstrommodus und kann sich nach Beseitigung des anormalen Lastzustands automatisch erholen. | ||||||
Überspannung | 5,75 bis 7,5 V | 15 bis 18 V | 18,8 – 22,5 V | 30-36 V | 56,5 bis 64,8 V | |
Schutzmodus: Ausgang abschalten, mit Zenerdiode klemmen | ||||||
Dimension | Schaltplan |
![]() | EKR8-4111805/4111812 |
![]() | |
| EKR84111815/4111824 | |
![]() | |
| EKR8-4111848 | |
![]() | |
| EKR8-4113605/4113612 | |
![]() | ![]() |
| EKR8-4113615/4113624 | |
![]() | |
| EKR8-41148W3 | |
![]() |
