

Ein Stromrelais ist eine Art elektromagnetischer Schalter, der als Teil der Steuerungssysteme für elektrische Geräte verwendet wird. Diese Relais werden häufig als Sensoren (Stromsensor-/Überwachungsrelais) verwendet, um den Stromfluss in industriellen und anderen sicherheitsrelevanten Geräten zu überwachen. Solche Geräte verwenden Stromrelais, um Fehlfunktionen aufgrund übermäßiger oder unzureichender Strommengen („Überstrom“ bzw. „Unterstrom“) zu verhindern.
Wenn zu viel Strom durch eine Maschine fließt, die mit einem Stromrelais ausgestattet ist, wird das Relais aktiviert und schaltet ab oder verändert auf andere Weise die Energiemenge, die durch den oder die Stromkreise fließen darf, an die das Relais angeschlossen ist. Dadurch verringert sich die Strommenge, die durch das System fließen darf. Dieselbe Funktionalität kann Maschinen oder anderen elektrischen Geräten zur Verfügung gestellt werden, um Schäden durch Unterstrom zu verhindern.
Stromrelais können sowohl für Wechselstrom- als auch für Gleichstromkonfigurationen verwendet werden. Aufgrund ihrer Fähigkeit, Geräteausfälle aufgrund von Überstrom und Unterstrom zu verhindern, stellen sie eine wirksame Gefahrenkontrolle an Arbeitsplätzen dar, an denen eine Gerätefehlfunktion zu Verletzungen führen könnte.



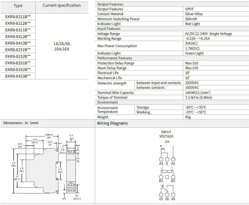
Schaltplan

|
EKR8-8111A01 |
Stromschutzrelais 1 Knopf W=18 Überstromschutz NO 1A |
|
EKR8-8111A02 |
Stromschutzrelais 1 Knopf W=18 Überstromschutz NO 2A |
|
EKR8-8111A05 |
Stromschutzrelais 1 Knopf W=18 Überstromschutz NO 5A |
|
EKR8-8111A10 |
Stromschutzrelais 1 Knopf W=18 Überstromschutz NO 10A |
|
EKR8-8111A16 |
Stromschutzrelais 1 Knopf W=18 Überstromschutz NO 16A |
|
EKR8-8112A01 |
Stromschutzrelais 1 Knopf W=18 Unterstromschutz NO 1A |
|
EKR8-8112A02 |
Stromschutzrelais 1 Knopf W=18 Unterstromschutz NO 2A |
|
EKR8-8112A05 |
Stromschutzrelais 1 Knopf W=18 Unterstromschutz NO 5A |
|
EKR8-8112A10 |
Stromschutzrelais 1 Knopf W=18 Unterstromschutz NO 10A |
|
EKR8-8112A16 |
Stromschutzrelais 1 Knopf W=18 Unterstromschutz NO 16A |
|
EKR8-8211A01 |
Stromschutzrelais 2 Knöpfe W=18 Überstromschutz NO 1A |
|
EKR8-8211A02 |
Stromschutzrelais 2 Knöpfe W=18 Überstromschutz NO 2A |
|
EKR8-8211A05 |
Stromschutz Relais 2 Knopf W=18 Überstromschutz NO 5A |
|
EKR8-8211A10 |
Stromschutzrelais 2 Knopf W=18 Überstromschutz NO 10A |
|
EKR8-8211A16 |
Stromschutzrelais 2 Knopf W=18 Überstromschutz NO 16A |
|
EKR8-8212A01 |
Stromschutzrelais 2 Knopf W=18 Unterstromschutz NO 1A |
|
EKR8-8212A02 |
Stromschutzrelais 2 Knopf W=18 Unterstromschutz NO 2A |
|
EKR8-8212A05 |
Stromschutzrelais 2 Knopf W=18 Unterstromschutz NO 5A |
|
EKR8-8212A10 |
Stromschutzrelais 2 Knopf W=18 Unterstromschutz NO 10A |
|
EKR8-8212A16 |
Stromschutzrelais 2 Knopf W=18 Unterstromschutz NO 16A |
|
EKR8-8311A01 |
Stromschutzrelais 3 Knopf W=18 Überstromschutz NO 1A |
|
EKR8-8311A02 |
Stromschutzrelais 3 Knöpfe W=18 Überstromschutz NO 2A |
|
EKR8-8311A05 |
Stromschutzrelais 3 Knöpfe W=18 Überstromschutz NO 5A |
|
EKR8-8311A10 |
Stromschutzrelais 3 Knöpfe W=18 Überstromschutz NO 10A |
|
EKR8-8311A16 |
Stromschutzrelais 3 Knöpfe W=18 Überstromschutz NO 16A |
|
EKR8-8312A01 |
Stromschutzrelais 3 Knöpfe W=18 Unterstromschutz NO 1A |
|
EKR8-8312A02 |
Stromschutzrelais 3 Knöpfe W=18 Unterstromschutz NO 2A |
|
EKR8-8312A05 |
Stromschutzrelais 3 Knöpfe W=18 Unterstromschutz NO 5A |
|
EKR8-8312A10 |
Stromschutzrelais 3 Knöpfe W=18 Unterstromschutz NO 10A |
|
EKR8-8312A16 |
Stromschutzrelais 3 Knöpfe W=18 Unterstromschutz NO 16A |
|
EKR8-8413A01 |
Stromschutzrelais 4 Knöpfe W=18 Über-/Unterstromschutz NO 1A |
|
EKR8-8413A02 |
Stromschutzrelais 4 Knöpfe W=18 Über-/Unterstromschutz NO 2A |
|
EKR8-8413A05 |
Stromschutzrelais 4 Knöpfe W=18 Über-/Unterstromschutz NO 5A |
|
EKR8-8413A10 |
Stromschutzrelais 4 Knöpfe W=18 Über-/Unterstromschutz NO 10A |
|
EKR8-8413A16 |
Stromschutzrelais 4 Knöpfe W=18 Über-/Unterstromschutz NO 16A |
|
EKR8-8111B01 |
Stromschutzrelais 1 Knopf W=18 Überstromschutz NC 1A |
|
EKR8-8111B02 |
Stromschutzrelais 1 Knopf W=18 Überstromschutz NC 2A |
|
EKR8-8111B05 |
Stromschutzrelais 1 Knopf W=18 Überstromschutz NC 5A |
|
EKR8-8111B10 |
Stromschutzrelais 1 Knopf W=18 Überstromschutz NC 10A |
|
EKR8-8111B16 |
Stromschutzrelais 1 Knopf W=18 Überstromschutz NC 16A |
|
EKR8-8112B01 |
Stromschutzrelais 1 Knopf W=18 Unterstromschutz NC 1A |
|
EKR8-8112B02 |
Stromschutzrelais 1 Knopf W=18 Unterstromschutz NC 2A |
|
EKR8-8112B05 |
Stromschutzrelais 1 Knopf W=18 Unterstromschutz NC 5A |
|
EKR8-8112B10 |
Stromschutzrelais 1 Knopf W=18 Unterstromschutz NC 10A |
|
EKR8-8112B16 |
Stromschutzrelais 1 Knopf W=18 Unterstromschutz NC 16A |
|
EKR8-8211B01 |
Stromschutzrelais 2 Knöpfe W=18 Überstromschutz NC 1A |
|
EKR8-8211B02 |
Stromschutzrelais 2 Knöpfe W=18 Überstromschutz NC 2A |
|
EKR8-8211B05 |
Stromschutzrelais 2 Knöpfe W=18 Überstromschutz NC 5A |
|
EKR8-8211B10 |
Stromschutzrelais 2 Knöpfe W=18 Überstromschutz NC 10A |
|
EKR8-8211B16 |
Stromschutzrelais 2 Knöpfe W=18 Überstromschutz NC 16A |
|
EKR8-8212B01 |
Stromschutzrelais 2 Knöpfe W=18 Unterstromschutz NC 1A |
|
EKR8-8212B02 |
Stromschutzrelais 2 Knöpfe W=18 Unterstromschutz NC 2A |
|
EKR8-8212B05 |
Stromschutzrelais 2 Knöpfe W=18 Unterstromschutz NC 5A |
|
EKR8-8212B10 |
Stromschutzrelais 2 Knöpfe W=18 Unterstromschutz NC 10A |
|
EKR8-8212B16 |
Stromschutzrelais 2 Knöpfe W=18 Unterstromschutz NC 16A |
|
EKR8-8311B01 |
Stromschutzrelais 3 Knöpfe W=18 Überstromschutz NC 1A |
|
EKR8-8311B02 |
Stromschutzrelais 3 Knöpfe W=18 Überstromschutz NC 2A |
|
EKR8-8311B05 |
Stromschutzrelais 3 Knöpfe W=18 Überstromschutz NC 5A |
|
EKR8-8311B10 |
Stromschutzrelais 3 Knöpfe W=18 Überstromschutz NC 10A |
|
EKR8-8311B16 |
Stromschutzrelais 3 Knöpfe W=18 Überstromschutz NC 16A |
|
EKR8-8312B01 |
Stromschutzrelais 3 Knöpfe W=18 Unterstromschutz NC 1A |
|
EKR8-8312B02 |
Stromschutzrelais 3 Knöpfe W=18 Unterstromschutz NC 2A |
|
EKR8-8312B05 |
Stromschutzrelais 3 Knöpfe W=18 Unterstromschutz NC 5A |
|
EKR8-8312B10 |
Stromschutzrelais 3 Knöpfe W=18 Unterstromschutz NC 10A |
|
EKR8-8312B16 |
Strom Schutzrelais 3 Knöpfe W=18 Unterstromschutz NC 16A |
|
EKR8-8413B01 |
Stromschutzrelais 4 Knöpfe W=18 Über-/Unterstromschutz NC 1A |
|
EKR8-8413B02 |
Stromschutzrelais 4 Knöpfe W=18 Über-/Unterstromschutz NC 2A |
|
EKR8-8413B05 |
Stromschutzrelais 4 Knöpfe W=18 Über-/Unterstromschutz NC 5A |
|
EKR8-8413B10 |
Stromschutzrelais 4 Knöpfe W=18 Über-/Unterstromschutz NC 10A |
|
EKR8-8413B16 |
Stromschutzrelais 4 Knöpfe W=18 Über-/Unterstromschutz NC 16A |
