Das Spannungsschutzrelais verwendet als Kern einen Hochgeschwindigkeitsprozessor mit geringem Stromverbrauch. Wenn die Stromversorgungsleitung Überspannung, Unterspannung oder Phasenausfall bzw. Phasenumkehr aufweist, unterbricht das Relais den Stromkreis schnell und sicher, um Unfälle durch anormale Spannung am Endgerät zu vermeiden.
1. Das Produkt verfügt über Schutzfunktionen: Phasenunterbrechung, Phasenstaffelung, unsymmetrische Spannung, Nullleitungsunterbrechung.
2. Echtzeitüberwachung von Phasenverschiebungen, Phasenfehlstellungen und spannungsunsymmetrischen Fehlern in Dreiphasen-Vierleiterkreisen.
3. Spannungsüberwachung, das Produkt verbessert die Entstörungsleistung des Frequenzumsetzers und die Leistung ist stabiler.
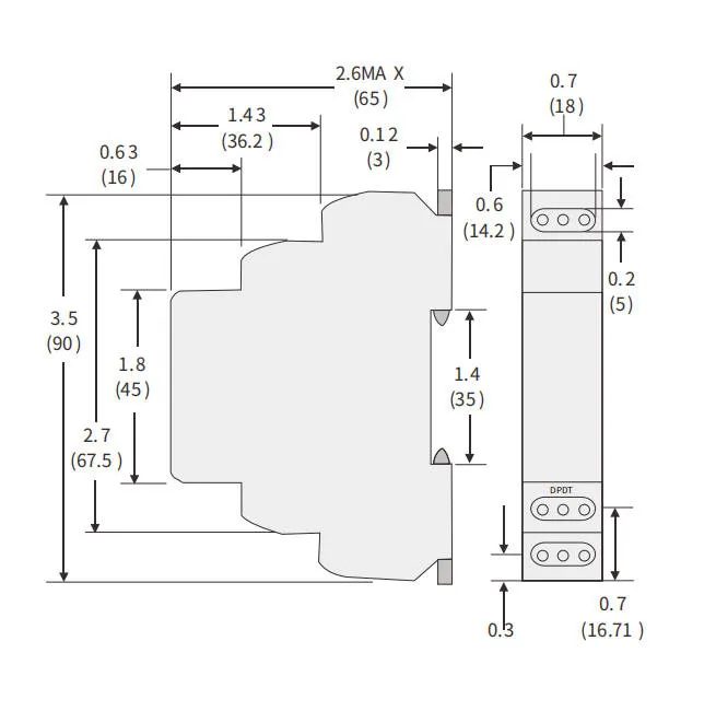
4.Spannungsüberwachungsrelais, der Phasenfolgeschutz verwendet eine standardmäßige modulare Struktur und Schieneninstallation
5. Phasenfolge-Schutzrelais, das Produkt hat zwei Kontrollleuchten, die verschiedene Betriebszustände anzeigen.
Technische Daten | |
EKR8-741NA01 | |
Überwachungstyp | Dreiphasig Vierleiter |
Ausgabemerkmale | SPDT |
Überspannung | 0 bis 20 % |
Unterspannung | 0 bis 20 % |
Zeitverzögerung | 0,1 bis 10 Sek. |
Phasenfolge | √ |
Phasenausfall | √ |
Asymmetrische Spannung | 5 % bis 15 % |
Betriebsspannung/Frequenz | L/N: AC127V-254V, 50/60Hz |
Reaktionszeit des Relais | 0,5 Sek. |
Kontaktbewertung | AC-15:3 A/250 V Wechselstrom |
Umgebungstemperatur | -10°C bis +55°C |
Spannungsfehler | ⼠2 % Max |
Temperaturfehler | ⼟2 % Max |

![]() | ![]() |
