Das Spannungsschutzrelais verwendet als Kern einen Hochgeschwindigkeitsprozessor mit geringem Stromverbrauch. Wenn die Stromversorgungsleitung Überspannung, Unterspannung oder Phasenausfall bzw. Phasenumkehr aufweist, unterbricht das Relais den Stromkreis schnell und sicher, um Unfälle durch anormale Spannung am Endgerät zu vermeiden.
1. Komfortable Überwachung: Das Spannungsrelais kann seine eigene Betriebsspannung überwachen (True-RMS-Messung).
2. Anwendung: Schutz und Steuerung von Geräten (Turmdrehkräne, Aufzüge, landwirtschaftliche Geräte, Kühlwagen); Verhinderung des Rückwärtsbetriebs von Geräten; Normal-/Notstromschalter; Verhinderung von Phasenausfällen dynamischer Lasten.
3. LED-Anzeige: Der Betriebszustand des Spannungsregelungsrelais wird durch die LED-Anzeige angezeigt.
4. Kleine Größe und einfach zu installieren: Das Spannungsschutzrelais ist ultraklein und kann auf einer 35-mm-DIN-Schiene montiert werden.
Technische Daten | |
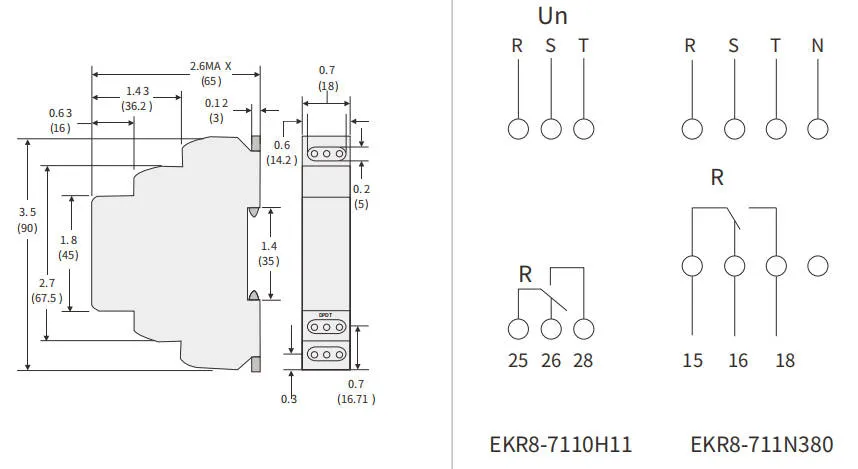
EKR8-7110H11 | |
Überwachungstyp | Dreiphasig Dreileiter |
Ausgabemerkmale | SPDT |
Zeitverzögerung | 3S |
Phasenausfall | √ |
Betriebsspannung | Breite Spannung: AC220-480V |
Frequenz | 50/60 Hz |
Reaktionszeit des Relais | 0,5 Sek. |
Kontaktbewertung | AC-15:3 A/250 V Wechselstrom |
Umgebungstemperatur | -10°C bis +55°C |
Spannungsfehler | ⼠2 % Max |
Temperaturfehler | ⼠2 % Max |

