● Norm: IEC60947-1, IEC60947-4-1
● Nennstrom: 6~12A
● Nennbetriebsspannung: 380/400 V, 600/690 V
● Nennisolationsspannung: 690V
● Polzahl: 3P, 4P
● Hilfskontakt: 1 Schließer oder 1 Öffner
● Umgebungstemperatur: -5℃~+40℃
● Installationsmethode: DIN-Schienen- oder Schraubmontage
Der Minischütz EKC2-M ist ein elektrisches Relais, das zur Steuerung eines Stromkreises mit einem Signal mit niedrigerer Leistung entwickelt wurde. Es ist eine kompaktere Version eines Standardschützes und findet breite Anwendung in der Motorsteuerung, Lichtsteuerung und Automatisierungssystemen.
Motorsteuerung: Kontrolliertes Starten und Stoppen von Elektromotoren, insbesondere bei Anwendungen mit beengten Platzverhältnissen.
Lichtsteuerung: Verwaltung von Beleuchtungskreisläufen, insbesondere im gewerblichen und industriellen Bereich.
Heizsysteme: Steuerung elektrischer Heizgeräte, um deren sicheren und effizienten Betrieb sicherzustellen.
Automatisierungssysteme: Als Teil von Automatisierungslösungen können sie zur Steuerung verschiedener Geräte und Maschinen verwendet werden.
Minischütze der Serie EKC2-M sind eine wesentliche Komponente in vielen elektrischen Systemen und bieten eine zuverlässige und effiziente Möglichkeit zur Steuerung von Stromkreisen in einem kompakten Formfaktor.
| Typ | EKC2-06M | EKC2-09M | EKC2-12M | |
| Hauptstromkreischarakteristik | ||||
| Stöcke | 3P, 4P | |||
| Hauptkontakt | 3Nein | |||
| Bemessungsisolationsspannung(Ui)(V) | 690 | |||
| Bemessungsbetriebsspannung(Ue)(V) | 380/400, 660/690 | |||
| Bemessungsthermischer Strom (Ith), AC-1 | 20 | |||
| Nennbetrieb Strom (Ie) (A) | AC-3, 380/400 V | 6 | 9 | 12 |
| AC-3, 660/690 V | 3.8 | 4.9 | 4.9 | |
| AC-4, 380/400 V | 6 | 9 | 9 | |
| AC-4, 660/690 V | 3.8 | 4.9 | 4.9 | |
| Nennbetriebstemperatur Leistung(Pe)(A) | AC-3, 380/400 V | 2.2 | 4 | 5.5 |
| AC-3, 660/690 V | 3 | 4 | 4 | |
| Mechanische Lebensdauer (×10 3 -fach) | 1200 | |||
| Elektrische Lebensdauer (×10 3 mal) | AC-3 | 120 | ||
| AC-4 | Siehe elektrische Lebensdauerkurve | |||
| Häufigkeit Betrieb (Zeit/h) | AC-3 | 1200 | ||
| AC-4 | 300 | |||
| Eigenschaften des Steuerkreises | ||||
| Nennsteuerung Spannung (Us) | 50 Hz | 24 V, 36 V, 48 V, 110 V, 127 V, 220 V, 380 V, 415 V | ||
| 50/60 Hz | 24 V, 36 V, 48 V, 110 V, 127 V, 220 V, 380 V, 415 V | |||
| Gleichstrom | 12 V, 24 V, 36 V, 48 V, 110 V, 127 V, 220 V | |||
| Erlaubte Kontrolle Stromkreisspannung | Betrieb | (85 % ~ 110 %) Wir | ||
| Veröffentlichung (AC) | (20 % ~ 75 %) Wir | |||
| Freigabe (DC) | (10 % ~ 75 %) Wir | |||
| Stromverbrauch der Spule | Betätigung (VA) | 20-40 | ||
| Behalten (VA) | 9,5 | |||
| Verbrauch (W) | 1-3 | |||
| Hilfskontakte | ||||
| Eingebauter Hilfskontakt | 1 Schließer/1 Öffner | |||
| Bemessungsthermischer Strom (Ith) | 10A | |||
| Bemessungsbetriebs Spannung (Ue) | Klimaanlage | 380/400 V | ||
| Gleichstrom | 220 V | |||
| Nennsteuerung Kapazität | AC-15 | Ue/Ie: AC 380 V/400 V/1,5 A; | ||
| DC-13 | Ue/Ie: DC 220 V/0,3 A | |||

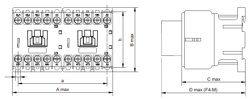
| Modell | Ein Max | B Max | C Max | D Max | A | B | O |
| EKC2-06M~12M | 45,5 | 59 | 58 | 94 | 35 ± 0,35 | 50 ± 0,48 | 4.2 |
| EKC2-06M/Z~12M/Z | 45,5 | 59 | 70 | 106 | 35 ± 0,35 | 50 ± 0,48 | 4.2 |

| Modell | Ein Max | B Max | C Max | D Max | A | B | O |
| EKC2-06M/N~12M/N | 91 | 59 | 58 | 94 | 80 ± 0,35 | 50 ± 0,48 | 4.2 |
| EKC2-06M/Z/N~12M/Z/N | 91 | 59 | 70 | 106 | 80 ± 0,35 | 50 ± 0,48 | 4.2 |
