Kondensatorschütz zum Schalten von dreiphasigen, ein- oder mehrstufigen Kondensatorbänken in Leistungsfaktorkorrekturanwendungen. Es unterdrückt hohe Schaltstartströme der Leistungskondensatoren. Gewöhnliche Schütze werden durch wiederholtes Schalten der Kondensatoren leicht beschädigt. Daher sind Kondensatorschütz die beste Wahl zum Einschalten von Kondensatoren, da diese Art von Schützen den Einschaltstrom begrenzt und dazu neigt, die Lebensdauer des Kondensators zu verlängern.
| Elektrischer Wert | AC 50/60 Hz, bis zu 690 V; |
| Umgebungstemperatur | -5℃~+40℃; der Durchschnitt während 24 Stunden sollte +35℃ nicht überschreiten |
| Höhe | ≤2000 m; |
| Atmosphärische Bedingungen | Am Montageort darf die relative Luftfeuchtigkeit bei einer Höchsttemperatur von +40 °C 50 % nicht überschreiten. Bei niedrigeren Temperaturen ist eine höhere relative Luftfeuchtigkeit zulässig. Beispielsweise kann die relative Luftfeuchtigkeit bei +20 °C 90 % betragen. Gegen die Bildung von Tau müssen besondere Maßnahmen ergriffen werden. |
| Verschmutzungsgrad | 3 |
| Installationskategorie | Ⅲ |
| Installationsbedingungen | Die Neigung zwischen Aufstellebene und Vertikalebene liegt im Bereich von ±5° |
| Aufprall und Erschütterung | Die Produkte sollten an Orten aufgestellt werden, wo sie keinen offensichtlichen Stößen und Erschütterungen ausgesetzt sind. |



| Standard | IEC/EN60947-4-1 | |||||||
| Modell Nr. | EKCC-12 | EKCC-16 | EKCC-20 | EKCC-25 | EKCC-33 | EKCC-40 | EKCC-60 | |
| Schützgröße | EKC1-18 | EKC1-25 | EKC1-32 | EKC1-40 | EKC1-50 | EKC1-65 | EKC1-95 | |
| Nenn-Heizstrom (konventionell) | I.(A) | 32 | 40 | 50 | 60 | 80 | 80 | 125 |
| Nennarbeitsstrom | 415 V/Ie (A) | 18 | 25 | 32 | 40 | 50 | 65 | 95 |
| Kondensatorgesteuert | 220 V/240 V (Kvar) | 6 | 8 | 10 | 12.5 | 16,5 | 20 | 30 |
| 400 V/440 V (Kvar) | 12 | 16 | 20 | 25 | 33 | 40 | 60 | |
| Bemessungsisolationsspannung | Ui(V) | 690 | 690 | 690 | 690 | 690 | 690 | 690 |
| Nennbetriebsspannung | Ue(V) | 400 | 400 | 400 | 400 | 400 | 400 | 400 |
| Elektrische Lebensdauer (x10 3 ) | Mal | 120 | 120 | 120 | 100 | 100 | 100 | 100 |
| Mechanische Lebensdauer (x10 3 ) | Mal | 3000 | 3000 | 3000 | 3000 | 3000 | 3000 | 3000 |
| Begrenzte Stoßkapazität | x Dh | 15 | ||||||
| Hilfskontakt | Ith = 10A | 1 Schließer + 1 Öffner | 1 Schließer + 2 Öffner | |||||
| Kontrolle Kapazität | AC-15 360 VA; DC-13 33 W | |||||||
| SPULENPARAMETER | ||||||||
| Spulenleistung (VA) | Start-up | 76 | 110 | 110 | 230 | 230 | 230 | 230 |
| Halten | 10 | 11 | 11 | 32 | 32 | 32 | 32 | |
| Nennsteuerleistung | Uns (V) | 24,36,48,110,220,380 | ||||||
| Ziehzeit | MS | 12 bis 22 | 15 bis 24 | 15 bis 24 | 20 bis 26 | 20 bis 26 | 20 bis 26 | 20 bis 35 |
| Veröffentlichungszeit | MS | 4 bis 12 | 5 bis 19 | 5 bis 19 | 8 bis 12 | 8 bis 12 | 8 bis 12 | 6 bis 20 |
| Betriebsbereich | Abholen | (85 % – 110 %) USA | ||||||
| Ausfallen | (20 % – 75 %) USA | |||||||

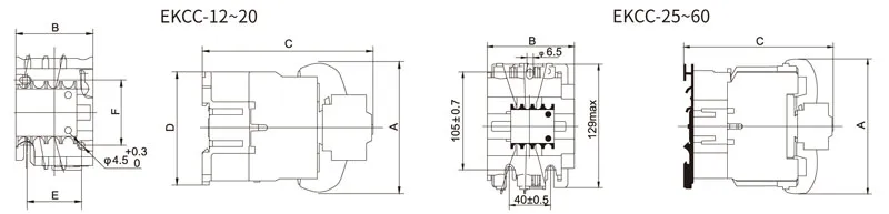
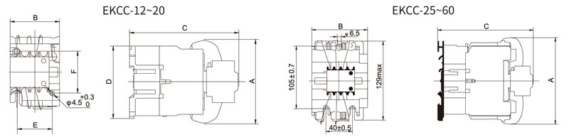
| Modell | Ein Max | B Max | C Max | D Max | E | F | Notiz |
| EKCC-12 | 80 | 47 | 124 | 76 | 34/35 | 50/60 | kann mit einer 35mm DIN-Schiene befestigt werden |
| EKCC-16 | 90 | 57 | 132 | 86 | 40 | 48 | |
| EKCC-20 | 90 | 57 | 132 | 86 | 40 | 48 | |
| EKCC-25 | 132 | 77 | 150 | - | - | - | Kann nicht nur mit Schrauben befestigt werden, sondern auch mit einer 35-mm- und 75-mm-DIN-Schiene |
| EKCC-33 | 132 | 77 | 150 | - | - | - | |
| EKCC-40 | 132 | 77 | 150 | - | - | - | |
| EKCC-60 | 135 | 87 | 162 | - | - | - |
Die Anschlussklemmen sind durch eine Isolierabdeckung geschützt, was für Installation und Betrieb zuverlässig und sicher ist;
Für EKCC-12~20 stehen Schrauben zur Montage sowie die DIN-Schiene zur Verfügung;
Für EKCC-25~60 stehen zur Montage 35 mm oder 75 mm Standardschienen zur Verfügung.
| EKCC-1211-220 | Capacitor Contactor 12Kvar 1NO+1NC Coil 220VAC with EKC1-18 |
| EKCC-1611-220 | Capacitor Contactor 16Kvar 1NO+1NC Coil 220VAC with EKC1-25 |
| EKCC-2011-220 | Capacitor Contactor 20Kvar 1NO+1NC Coil 220VAC with EKC1-32 |
| EKCC-2512-220 | Capacitor Contactor 25Kvar 1NO+2NC Coil 220VAC with EKC1-40 |
| EKCC-3312-220 | Capacitor Contactor 33Kvar 1NO+2NC Coil 220VAC with EKC1-50 |
| EKCC-4012-220 | Capacitor Contactor 40Kvar 1NO+2NC Coil 220VAC with EKC1-65 |
| EKCC-6012-220 | Capacitor Contactor 60Kvar 1NO+2NC Coil 220VAC with EKC1-95 |
| EKCC-1211-230 | Capacitor Contactor 12Kvar 1NO+1NC Coil 230VAC with EKC1-18 |
| EKCC-1611-230 | Capacitor Contactor 16Kvar 1NO+1NC Coil 230VAC with EKC1-25 |
| EKCC-2011-230 | Capacitor Contactor 20Kvar 1NO+1NC Coil 230VAC with EKC1-32 |
| EKCC-2512-230 | Capacitor Contactor 25Kvar 1NO+2NC Coil 230VAC with EKC1-40 |
| EKCC-3312-230 | Capacitor Contactor 33Kvar 1NO+2NC Coil 230VAC with EKC1-50 |
| EKCC-4012-230 | Capacitor Contactor 40Kvar 1NO+2NC Coil 230VAC with EKC1-65 |
| EKCC-6012-230 | Capacitor Contactor 60Kvar 1NO+2NC Coil 230VAC with EKC1-95 |
| EKCC-1211-380 | Capacitor Contactor 12Kvar 1NO+1NC Coil 380VAC with EKC1-18 |
| EKCC-1611-380 | Capacitor Contactor 16Kvar 1NO+1NC Coil 380VAC with EKC1-25 |
| EKCC-2011-380 | Capacitor Contactor 20Kvar 1NO+1NC Coil 380VAC with EKC1-32 |
| EKCC-2512-380 | Capacitor Contactor 25Kvar 1NO+2NC Coil 380VAC with EKC1-40 |
| EKCC-3312-380 | Capacitor Contactor 33Kvar 1NO+2NC Coil 380VAC with EKC1-50 |
| EKCC-4012-380 | Capacitor Contactor 40Kvar 1NO+2NC Coil 380VAC with EKC1-65 |
| EKCC-6012-380 | Capacitor Contactor 60Kvar 1NO+2NC Coil 380VAC with EKC1-95 |
| EKCC-1211-415 | Capacitor Contactor 12Kvar 1NO+1NC Coil 415VAC with EKC1-18 |
| EKCC-1611-415 | Capacitor Contactor 16Kvar 1NO+1NC Coil 415VAC with EKC1-25 |
| EKCC-2011-415 | Capacitor Contactor 20Kvar 1NO+1NC Coil 415VAC with EKC1-32 |
| EKCC-2512-415 | Capacitor Contactor 25Kvar 1NO+2NC Coil 415VAC with EKC1-40 |
| EKCC-3312-415 | Capacitor Contactor 33Kvar 1NO+2NC Coil 415VAC with EKC1-50 |
| EKCC-4012-415 | Capacitor Contactor 40Kvar 1NO+2NC Coil 415VAC with EKC1-65 |
| EKCC-6012-415 | Capacitor Contactor 60Kvar 1NO+2NC Coil 415VAC with EKC1-95 |
