● Norm: IEC61009-1
● Typ: AC, A
● Nennstrom: 6~40A
● Nennspannung: 230/240~
● Polzahl: Einzelpol
● Bemessungsfehlerstrom (IAn): 10,30, 100, 300 mA
● Bemessungs-Kurzschlussausschaltvermögen: 6kA
● Auslösekennlinie: B, C
● Umgebungstemperatur: -25...+40 ºC
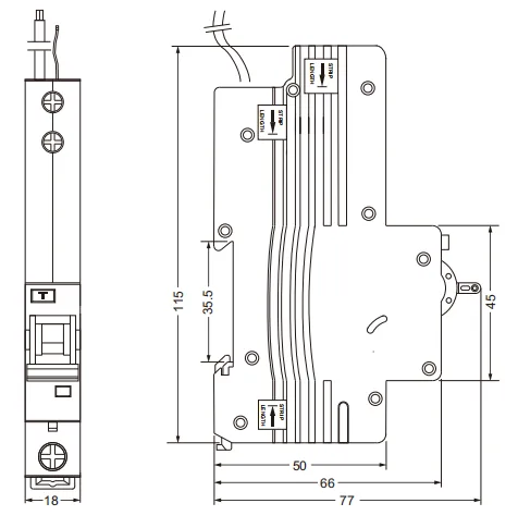
● Anschluss: Von unten
● Zertifikate: CE, CB, UKCA, S
Die elektronischen 1P+N-Fehlerstrom-Schutzschalter mit Überstromschutz (RCBO), EKL2-40, bieten ein Abschaltvermögen von 6 kA und erfüllen in nur einem Modul die Anforderungen an Geräte, die moderne Installationen umfassend vor Kurzschlussströmen, Überlastungen, Erdschlussströmen und indirektem Kontakt schützen und zusätzlichen Schutz vor direktem Kontakt bieten (30 mA-Versionen).
Der handelsübliche RCBO mit Einzelmodulbreite verfügt über eine Erdungsleitung, um im Falle eines versehentlichen Verlusts des Neutralleiters in der Installation die Erkennung von Erdschlüssen zu gewährleisten.
Diese elektronischen RCBO können in Ländern installiert werden, in denen die Verwendung von 1P+N RCBO mit Funktionserde vorgeschrieben ist.
| Standard | IEC/EN61009-1 | ||
|
Schutz |
Erdschluss, Überstrom und Kurzschluss, Überspannung (wählbar)
|
||
|
Art der Reise |
Erdschluss: Elektronisch |
||
|
Überlast und Kurzschluss: Thermomagnetisch |
|||
| Typ | Wechselstrom, A | ||
|
Anzahl der Pole |
1P+N,1 Modul, N-Leitung mit getrenntem |
||
| Bemessungsstrom In | 6,10,16,20,25,32,40A | ||
|
Nennempfindlichkeitsströme I△n |
10,30,100,300 mA | ||
| Fehlerstrom-Ausschaltzeit unter I△n | ≤0,1 s | ||
| Resteinschalt- und Ausschaltvermögen (I△m) | 500 A (In ≤ 50 A) | ||
| Bemessungsspannung Ue | 230/240 V~ | ||
| Nennfrequenz | 50/60 Hz | ||
| Bemessungsschaltvermögen | 6.000A | ||
| Energiebegrenzungsklasse | 3 | ||
| Bemessungsstoßspannungsfestigkeit (1,2/50) Uimp | 4.000 V | ||
| Dielektrische Prüfspannung bei ind. Freq. für 1min | 2 kV | ||
|
Thermische Auslösecharakteristik |
(1,13-1,45) x In |
||
| Magnetische Auslösecharakteristik |
B:(3-5) x In, C:(5-10) x In |
||
| Elektrische Lebensdauer | 4.000 Zyklen | ||
| Mechanische Lebensdauer | 10.000 Zyklen | ||
| Kontaktstellungsanzeige | Ja | ||
| Schutzart | IP20 | ||
| Umgebungstemperatur | -25℃~+40℃, Max. 95 % Luftfeuchtigkeit | ||
| Anschlussart der Klemme | Kabel-/Stiftsammelschiene | ||
|
Max. Klemmengröße für Kabel |
L (Eingang): 25 mm², N/L (Ausgang): 16 mm²
|
||
| Max. Anziehdrehmoment |
L (Eingang): 2,5 Nm, N/L (Ausgang): 2 Nm
|
||
|
Installation |
Montage auf 35mm DIN-Schiene |
||
| Verbindung |
Von unten |
||


| Stöcke | Nennstrom (A) | B-Kurve | |||
| Empfindlichkeit | |||||
| 10mA | 30mA | 100mA | 300mA | ||
| Type AC | |||||
| 1P+N | 6A | EKL2-40-1NB0610 | EKL2-40-1NB0630 | EKL2-40-1NB06100 | EKL2-40-1NB06300 |
| 10A | EKL2-40-1NB1010 | EKL2-40-1NB1030 | EKL2-40-1NB10100 | EKL2-40-1NB10300 | |
| 16A | EKL2-40-1NB1610 | EKL2-40-1NB1630 | EKL2-40-1NB16100 | EKL2-40-1NB16300 | |
| 20A | EKL2-40-1NB2010 | EKL2-40-1NB2030 | EKL2-40-1NB20100 | EKL2-40-1NB20300 | |
| 25A | EKL2-40-1NB2510 | EKL2-40-1NB2530 | EKL2-40-1NB25100 | EKL2-40-1NB25300 | |
| 32A | EKL2-40-1NB3210 | EKL2-40-1NB3230 | EKL2-40-1NB32100 | EKL2-40-1NB32300 | |
| 40A | EKL2-40-1NB4010 | EKL2-40-1NB4030 | EKL2-40-1NB40100 | EKL2-40-1NB40300 | |
| Type A | |||||
| 6A | EKL2-40-1NB0610A | EKL2-40-1NB0630A | EKL2-40-1NB06100A | EKL2-40-1NB06300A | |
| 10A | EKL2-40-1NB1010A | EKL2-40-1NB1030A | EKL2-40-1NB10100A | EKL2-40-1NB10300A | |
| 16A | EKL2-40-1NB1610A | EKL2-40-1NB1630A | EKL2-40-1NB16100A | EKL2-40-1NB16300A | |
| 20A | EKL2-40-1NB2010A | EKL2-40-1NB2030A | EKL2-40-1NB20100A | EKL2-40-1NB20300A | |
| 25A | EKL2-40-1NB2510A | EKL2-40-1NB2530A | EKL2-40-1NB25100A | EKL2-40-1NB25300A | |
| 32A | EKL2-40-1NB3210A | EKL2-40-1NB3230A | EKL2-40-1NB32100A | EKL2-40-1NB32300A | |
| 40A | EKL2-40-1NB4010A | EKL2-40-1NB4030A | EKL2-40-1NB40100A | EKL2-40-1NB40300A | |
| Stöcke | Nennstrom (A) | C-Kurve | |||
| Empfindlichkeit | |||||
| 10mA | 30mA | 100mA | 300mA | ||
| Type AC | |||||
| 1P+N | 6A | EKL2-40-1NC0610 | EKL2-40-1NC0630 | EKL2-40-1NC06100 | EKL2-40-1NC06300 |
| 10A | EKL2-40-1NC1010 | EKL2-40-1NC1030 | EKL2-40-1NC10100 | EKL2-40-1NC10300 | |
| 16A | EKL2-40-1NC1610 | EKL2-40-1NC1630 | EKL2-40-1NC16100 | EKL2-40-1NC16300 | |
| 20A | EKL2-40-1NC2010 | EKL2-40-1NC2030 | EKL2-40-1NC20100 | EKL2-40-1NC20300 | |
| 25A | EKL2-40-1NC2510 | EKL2-40-1NC2530 | EKL2-40-1NC25100 | EKL2-40-1NC25300 | |
| 32A | EKL2-40-1NC3210 | EKL2-40-1NC3230 | EKL2-40-1NC32100 | EKL2-40-1NC32300 | |
| 40A | EKL2-40-1NC4010 | EKL2-40-1NC4030 | EKL2-40-1NC40100 | EKL2-40-1NC40300 | |
| Type A | |||||
| 6A | EKL2-40-1NC0610A | EKL2-40-1NC0630A | EKL2-40-1NC06100A | EKL2-40-1NC06300A | |
| 10A | EKL2-40-1NC1010A | EKL2-40-1NC1030A | EKL2-40-1NC10100A | EKL2-40-1NC10300A | |
| 16A | EKL2-40-1NC1610A | EKL2-40-1NC1630A | EKL2-40-1NC16100A | EKL2-40-1NC16300A | |
| 20A | EKL2-40-1NC2010A | EKL2-40-1NC2030A | EKL2-40-1NC20100A | EKL2-40-1NC20300A | |
| 25A | EKL2-40-1NC2510A | EKL2-40-1NC2530A | EKL2-40-1NC25100A | EKL2-40-1NC25300A | |
| 32A | EKL2-40-1NC3210A | EKL2-40-1NC3230A | EKL2-40-1NC32100A | EKL2-40-1NC32300A | |
| 40A | EKL2-40-1NC4010A | EKL2-40-1NC4030A | EKL2-40-1NC40100A | EKL2-40-1NC40300A | |
