● Norm: IEC61009-1
● Typ: AC, A
● Nennstrom: 6~63A
● Nennspannung: 230/240~, 400/415V~
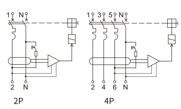
● Polzahl: 2 Pole, 4 Pole
● Bemessungsfehlerstrom (IAn): 10, 30, 100, 300 mA
● Bemessungs-Kurzschlussausschaltvermögen: 4,5 kA
● Auslösekennlinie: B, C, D
● Umgebungstemperatur: -25...+55 ºC
● Anschluss: Von oben
● Zertifikate: CE, CB
● Marketing: Zentralasien, Russland
EKL5-63S Fehlerstrom-Schutzschalter mit Überstromschutzbereich bieten umfassenden Schutz für Personen und Elektrogeräte, da sie so konzipiert sind, dass sie die Stromzufuhr im Falle einer Überlastung, eines Kurzschlusses oder eines Erdschlusses automatisch unterbrechen.
Sie können als Schutzgeräte für 240V-Zweiphasennetze oder 415V-Dreiphasenstromkreise verwendet werden.
Sein maximaler Nennstrom erreicht 63 A und der minimale Leckstrom hat 4 Optionen: 10 mA, 30 mA, 100 mA und 300 mA.
Der RCBO ist mit einem Anzeigefenster und einer Reset-Taste ausgestattet, um zwischen Fehlerstromauslösungen (Reset-Taste springt heraus) und Überlastauslösungen (Anzeigefenster wird rot) unterscheiden zu können.
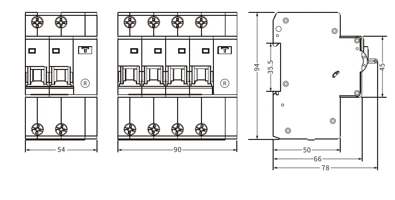
Der RCBO befindet sich in drei oder fünf DIN-Modulen und ist daher einfacher zu installieren als die herkömmliche Lösung MCB + Zusatzblöcke.
Günstiger als RCBO des gleichen Typs mit 6kA oder 10kA Abschaltvermögen.
Dieses Produkt erfüllt den Standard IEC61009-1.
|
Standard |
IEC/EN61009-1 |
||
|
Schutz |
Erdschluss, Überstrom und Kurzschluss, Überspannung (wählbar) |
||
|
Art der Reise |
Erdschluss: Elektronisch |
||
|
Überlast und Kurzschluss: Thermomagnetisch |
|||
|
Schutzart (elektrischer Leckstrom) |
Wechselstrom, A, S | ||
|
Anzahl der Pole |
1P+N 3-Modul, 3P+N 5-Modul, N-Leitung mit getrenntem |
||
| Bemessungsstrom In | 6,10,16,20,25,32,40,50,63A | ||
| Bemessungsspannung Ue |
1P+N:230/240V~, 3P+N:400/415V~
|
||
| Nennfrequenz | 50/60 Hz | ||
|
Nennempfindlichkeitsströme I△n |
10,30,100,300 mA | ||
|
Fehlerstrom-Ausschaltzeit unter I△n |
≤0,1 s | ||
|
Bemessungs-Resteinschalt- und -ausschaltvermögen (I△m) |
500 A (In ≤ 50 A), 10 In (In > 50 A) |
||
| Bemessungsschaltvermögen | 4,5 kA | ||
| Bemessungsstoßspannungsfestigkeit (1,5/50) Uimp | 4.000 V | ||
| Dielektrische Prüfspannung bei ind. Freq. für 1min | 2 kV | ||
|
Thermische Auslösecharakteristik |
(1,13-1,45) x In |
||
|
Magnetische Auslösecharakteristik |
B:(3-5) x In, C:(5-10) x In, D:(10-20) x In |
||
| Elektrische Lebensdauer | 4.000 Zyklen | ||
| Mechanische Lebensdauer | 10.000 Zyklen | ||
| Kontaktstellungsanzeige | Ja | ||
|
Erdschlussanzeiger |
Ja | ||
|
Schutzart |
IP20 | ||
| Umgebungstemperatur |
-25 °C bis +55 °C, max. 95 % Luftfeuchtigkeit |
||
| Anschlussart der Klemme | Kabel-/Stiftsammelschiene | ||
|
Max. Klemmengröße für Kabel |
25 mm 2 | ||
|
Max. Anziehdrehmoment |
2,5 Nm | ||
|
Installation |
Montage auf 35mm DIN-Schiene |
||
| Verbindung |
Von oben |
||


| Ausschaltvermögen | Stöcke | Nennstrom (A) | B-Kurve | C-Kurve | ||||
| Empfindlichkeit | ||||||||
| 30mA | 100mA | 300mA | 30mA | 100mA | 300mA | |||
| Type AC | ||||||||
| 4.5KA | 1P+N | 6A | EKL5-63S-1NB0630 | EKL5-63S-1NB06100 | EKL5-63S-1NB06300 | EKL5-63S-1NC0630 | EKL5-63S-1NC06100 | EKL5-63S-1NC06300 |
| 10A | EKL5-63S-1NB1030 | EKL5-63S-1NB10100 | EKL5-63S-1NB10300 | EKL5-63S-1NC1030 | EKL5-63S-1NC10100 | EKL5-63S-1NC10300 | ||
| 16A | EKL5-63S-1NB1630 | EKL5-63S-1NB16100 | EKL5-63S-1NB16300 | EKL5-63S-1NC1630 | EKL5-63S-1NC16100 | EKL5-63S-1NC16300 | ||
| 20A | EKL5-63S-1NB2030 | EKL5-63S-1NB20100 | EKL5-63S-1NB20300 | EKL5-63S-1NC2030 | EKL5-63S-1NC20100 | EKL5-63S-1NC20300 | ||
| 25A | EKL5-63S-1NB2530 | EKL5-63S-1NB25100 | EKL5-63S-1NB25300 | EKL5-63S-1NC2530 | EKL5-63S-1NC25100 | EKL5-63S-1NC25300 | ||
| 32A | EKL5-63S-1NB3230 | EKL5-63S-1NB32100 | EKL5-63S-1NB32300 | EKL5-63S-1NC3230 | EKL5-63S-1NC32100 | EKL5-63S-1NC32300 | ||
| 40A | EKL5-63S-1NB4030 | EKL5-63S-1NB40100 | EKL5-63S-1NB40300 | EKL5-63S-1NC4030 | EKL5-63S-1NC40100 | EKL5-63S-1NC40300 | ||
| 50A | EKL5-63S-1NB5030 | EKL5-63S-1NB50100 | EKL5-63S-1NB50300 | EKL5-63S-1NC5030 | EKL5-63S-1NC50100 | EKL5-63S-1NC50300 | ||
| 63A | EKL5-63S-1NB6330 | EKL5-63S-1NB63100 | EKL5-63S-1NB63300 | EKL5-63S-1NC6330 | EKL5-63S-1NC63100 | EKL5-63S-1NC63300 | ||
| 3P+N | 6A | EKL5-63S-3NB0630 | EKL5-63S-3NB06100 | EKL5-63S-3NB06300 | EKL5-63S-3NC0630 | EKL5-63S-3NC06100 | EKL5-63S-3NC06300 | |
| 10A | EKL5-63S-3NB1030 | EKL5-63S-3NB10100 | EKL5-63S-3NB10300 | EKL5-63S-3NC1030 | EKL5-63S-3NC10100 | EKL5-63S-3NC10300 | ||
| 16A | EKL5-63S-3NB1630 | EKL5-63S-3NB16100 | EKL5-63S-3NB16300 | EKL5-63S-3NC1630 | EKL5-63S-3NC16100 | EKL5-63S-3NC16300 | ||
| 20A | EKL5-63S-3NB2030 | EKL5-63S-3NB20100 | EKL5-63S-3NB20300 | EKL5-63S-3NC2030 | EKL5-63S-3NC20100 | EKL5-63S-3NC20300 | ||
| 25A | EKL5-63S-3NB2530 | EKL5-63S-3NB25100 | EKL5-63S-3NB25300 | EKL5-63S-3NC2530 | EKL5-63S-3NC25100 | EKL5-63S-3NC25300 | ||
| 32A | EKL5-63S-3NB3230 | EKL5-63S-3NB32100 | EKL5-63S-3NB32300 | EKL5-63S-3NC3230 | EKL5-63S-3NC32100 | EKL5-63S-3NC32300 | ||
| 40A | EKL5-63S-3NB4030 | EKL5-63S-3NB40100 | EKL5-63S-3NB40300 | EKL5-63S-3NC4030 | EKL5-63S-3NC40100 | EKL5-63S-3NC40300 | ||
| 50A | EKL5-63S-3NB5030 | EKL5-63S-3NB50100 | EKL5-63S-3NB50300 | EKL5-63S-3NC5030 | EKL5-63S-3NC50100 | EKL5-63S-3NC50300 | ||
| 63A | EKL5-63S-3NB6330 | EKL5-63S-3NB63100 | EKL5-63S-3NB63300 | EKL5-63S-3NC6330 | EKL5-63S-3NC63100 | EKL5-63S-3NC63300 | ||
| Type A | ||||||||
| 1P+N | 6A | EKL5-63S-1NB0630A | EKL5-63S-1NB06100A | EKL5-63S-1NB06300A | EKL5-63S-1NC0630A | EKL5-63S-1NC06100A | EKL5-63S-1NC06300A | |
| 10A | EKL5-63S-1NB1030A | EKL5-63S-1NB10100A | EKL5-63S-1NB10300A | EKL5-63S-1NC1030A | EKL5-63S-1NC10100A | EKL5-63S-1NC10300A | ||
| 16A | EKL5-63S-1NB1630A | EKL5-63S-1NB16100A | EKL5-63S-1NB16300A | EKL5-63S-1NC1630A | EKL5-63S-1NC16100A | EKL5-63S-1NC16300A | ||
| 20A | EKL5-63S-1NB2030A | EKL5-63S-1NB20100A | EKL5-63S-1NB20300A | EKL5-63S-1NC2030A | EKL5-63S-1NC20100A | EKL5-63S-1NC20300A | ||
| 25A | EKL5-63S-1NB2530A | EKL5-63S-1NB25100A | EKL5-63S-1NB25300A | EKL5-63S-1NC2530A | EKL5-63S-1NC25100A | EKL5-63S-1NC25300A | ||
| 32A | EKL5-63S-1NB3230A | EKL5-63S-1NB32100A | EKL5-63S-1NB32300A | EKL5-63S-1NC3230A | EKL5-63S-1NC32100A | EKL5-63S-1NC32300A | ||
| 40A | EKL5-63S-1NB4030A | EKL5-63S-1NB40100A | EKL5-63S-1NB40300A | EKL5-63S-1NC4030A | EKL5-63S-1NC40100A | EKL5-63S-1NC40300A | ||
| 50A | EKL5-63S-1NB5030A | EKL5-63S-1NB50100A | EKL5-63S-1NB50300A | EKL5-63S-1NC5030A | EKL5-63S-1NC50100A | EKL5-63S-1NC50300A | ||
| 63A | EKL5-63S-1NB6330A | EKL5-63S-1NB63100A | EKL5-63S-1NB63300A | EKL5-63S-1NC6330A | EKL5-63S-1NC63100A | EKL5-63S-1NC63300A | ||
| 3P+N | 6A | EKL5-63S-3NB0630A | EKL5-63S-3NB06100A | EKL5-63S-3NB06300A | EKL5-63S-3NC0630A | EKL5-63S-3NC06100A | EKL5-63S-3NC06300A | |
| 10A | EKL5-63S-3NB1030A | EKL5-63S-3NB10100A | EKL5-63S-3NB10300A | EKL5-63S-3NC1030A | EKL5-63S-3NC10100A | EKL5-63S-3NC10300A | ||
| 16A | EKL5-63S-3NB1630A | EKL5-63S-3NB16100A | EKL5-63S-3NB16300A | EKL5-63S-3NC1630A | EKL5-63S-3NC16100A | EKL5-63S-3NC16300A | ||
| 20A | EKL5-63S-3NB2030A | EKL5-63S-3NB20100A | EKL5-63S-3NB20300A | EKL5-63S-3NC2030A | EKL5-63S-3NC20100A | EKL5-63S-3NC20300A | ||
| 25A | EKL5-63S-3NB2530A | EKL5-63S-3NB25100A | EKL5-63S-3NB25300A | EKL5-63S-3NC2530A | EKL5-63S-3NC25100A | EKL5-63S-3NC25300A | ||
| 32A | EKL5-63S-3NB3230A | EKL5-63S-3NB32100A | EKL5-63S-3NB32300A | EKL5-63S-3NC3230A | EKL5-63S-3NC32100A | EKL5-63S-3NC32300A | ||
| 40A | EKL5-63S-3NB4030A | EKL5-63S-3NB40100A | EKL5-63S-3NB40300A | EKL5-63S-3NC4030A | EKL5-63S-3NC40100A | EKL5-63S-3NC40300A | ||
| 50A | EKL5-63S-3NB5030A | EKL5-63S-3NB50100A | EKL5-63S-3NB50300A | EKL5-63S-3NC5030A | EKL5-63S-3NC50100A | EKL5-63S-3NC50300A | ||
| 63A | EKL5-63S-3NB6330A | EKL5-63S-3NB63100A | EKL5-63S-3NB63300A | EKL5-63S-3NC6330A | EKL5-63S-3NC63100A | EKL5-63S-3NC63300A | ||
