● Norm: IEC61008-1
● Typ: AC, A
● Nennstrom: 80~125A
● Nennspannung: 230/400 V ~ 240/415 V
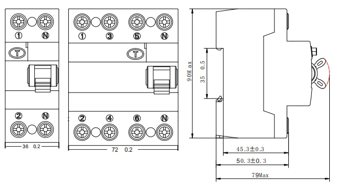
● Pole: 2P(1P+N), 4P(3P+N), N-Pol rechts
● Nennempfindlichkeit I△n: 30 mA, 100 mA, 300 mA
● Bemessungs-Kurzschlussausschaltvermögen: 10kA
● Umgebungstemperatur: -25...+55 ºC
● Anschluss: Von oben und unten
● Zertifikate: CB, CE
Der EKL1-125 löst das Problem der RCCB-Hochstromspezifikationen und ist eine wichtige Ergänzung zu Leckschutzprodukten mit einem Betriebsstrom von höchstens 63 A. Dieser Schritt verbessert nicht nur die Leistung der Leckschutzausrüstung, sondern erweitert auch ihren Anwendungsbereich, sodass sie die Sicherheitsanforderungen verschiedener elektrischer Geräte und Systeme besser erfüllen kann. Durch die Unterstützung großer Stromspezifikationen kann das EKL1-125 RCCB-Produkt effektiver mit Umgebungen mit hohem Laststrom umgehen und stellt sicher, dass auch dann noch ein zuverlässiger Leckschutz bereitgestellt werden kann, wenn der Strom die herkömmlichen Spezifikationen überschreitet. Dies verbessert nicht nur die Sicherheit elektrischer Systeme, sondern bietet den Benutzern auch mehr Auswahlmöglichkeiten und Flexibilität, sodass Leckschutzausrüstung ihre gebührende Rolle in verschiedenen industriellen und zivilen Situationen spielen kann.
Wählen Sie den EKL1-125 für kompromisslosen, effizienten Fehlerstromschutz, der die Anforderungen moderner, leistungsstarker elektrischer Systeme erfüllt und übertrifft. Vertrauen Sie auf ETEK Electric, wenn es um die Zuverlässigkeit, Leistung und Sicherheit geht, die Ihre elektrischen Industrieinstallationen erfordern.
|
Standard |
IEC/EN61008-1 |
||
|
Schutz |
Erdschluss |
||
|
Art der Reise |
Elektromagnetisch |
||
|
Schutzart (elektrischer Leckstrom) |
AC, A, G, S |
||
|
Anzahl der Pole |
2P(1P+N), 4P(3P+N), N-Pol rechts |
||
| Bemessungsstrom In | 80, 100, 125A | ||
|
Nennempfindlichkeitsströme I△n |
30,100,300 mA |
||
|
Fehlerstrom-Ausschaltzeit unter I△n |
≤0,1 s |
||
|
Bemessungs-Resteinschalt- und -ausschaltvermögen (I△m) |
10 Zoll (Zoll > 50 A) |
||
| Bemessungsspannung Ue |
1P+N: 230/240 V~, 3P+N: 400/415 V~ |
||
| Nennfrequenz | 50/60 Hz | ||
|
Bemessungsschaltvermögen |
EKL1-125: 6.000 A, EKL1-125H: 10.000 A | ||
|
SCPD-Sicherung |
EKL1-125 = 6 kA, EKL1-125H = 10 kA | ||
| Bemessungsstoßspannungsfestigkeit (1,5/50) Uimp | 4000 V | ||
| Dielektrische Prüfspannung bei ind. Freq. für 1min | 2 kV | ||
| Elektrische Lebensdauer | 2.000 Zyklen | ||
| Mechanische Lebensdauer | 4.000 Zyklen | ||
| Kontaktstellungsanzeige | Ja | ||
| Schutzart | IP20 | ||
| Umgebungstemperatur |
-25 °C bis +55 °C, max. 95 % Luftfeuchtigkeit |
||
| Anschlussart der Klemme |
Kabel-/Stift-/Gabel-Sammelschiene |
||
|
Max. Klemmengröße für Kabel |
50 mm 2 | ||
|
Max. Anziehdrehmoment |
2,5 Nm | ||
|
Installation |
Montage auf 35mm DIN-Schiene |
||
| Verbindung |
Von oben und unten |
||


| Abschaltvermögen = 6 kA | |||||
| AC Type | Stöcke | Nennstrom (A) | Empfindlichkeit | ||
| 30mA | 100mA | 300mA | |||
| 1P+N | 80A | EKL1-125-1N8030 | EKL1-125-1N80100 | EKL1-125-1N80300 | |
| 100A | EKL1-125-1N10030 | EKL1-125-1N100100 | EKL1-125-1N100300 | ||
| 125A | EKL1-125-1N12530 | EKL1-125-1N125100 | EKL1-125-1N125300 | ||
| 3P+N | 80A | EKL1-125-3N8030 | EKL1-125-3N80100 | EKL1-125-3N80300 | |
| 100A | EKL1-125-3N10030 | EKL1-125-3N100100 | EKL1-125-3N100300 | ||
| 125A | EKL1-125-3N12530 | EKL1-125-3N125100 | EKL1-125-3N125300 | ||
| A Type | 1P+N | 80A | EKL1-125-1N8030A | EKL1-125-1N80100A | EKL1-125-1N80300A |
| 100A | EKL1-125-1N10030A | EKL1-125-1N100100A | EKL1-125-1N100300A | ||
| 125A | EKL1-125-1N12530A | EKL1-125-1N125100A | EKL1-125-1N125300A | ||
| 3P+N | 80A | EKL1-125-3N8030A | EKL1-125-3N80100A | EKL1-125-3N80300A | |
| 100A | EKL1-125-3N10030A | EKL1-125-3N100100A | EKL1-125-3N100300A | ||
| 125A | EKL1-125-3N12530A | EKL1-125-3N125100A | EKL1-125-3N125300A | ||
| Abschaltvermögen = 10 kA | |||||
| AC Type | Stöcke | Nennstrom (A) | Empfindlichkeit | ||
| 30mA | 100mA | 300mA | |||
| 1P+N | 80A | EKL1-125H-1N8030 | EKL1-125H-1N80100 | EKL1-125H-1N80300 | |
| 100A | EKL1-125H-1N10030 | EKL1-125H-1N100100 | EKL1-125H-1N100300 | ||
| 125A | EKL1-125H-1N12530 | EKL1-125H-1N125100 | EKL1-125H-1N125300 | ||
| 3P+N | 80A | EKL1-125H-3N8030 | EKL1-125H-3N80100 | EKL1-125H-3N80300 | |
| 100A | EKL1-125H-3N10030 | EKL1-125H-3N100100 | EKL1-125H-3N100300 | ||
| 125A | EKL1-125H-3N12530 | EKL1-125H-3N125100 | EKL1-125H-3N125300 | ||
| A Type | 1P+N | 80A | EKL1-125H-1N8030A | EKL1-125H-1N80100A | EKL1-125H-1N80300A |
| 100A | EKL1-125H-1N10030A | EKL1-125H-1N100100A | EKL1-125H-1N100300A | ||
| 125A | EKL1-125H-1N12530A | EKL1-125H-1N125100A | EKL1-125H-1N125300A | ||
| 3P+N | 80A | EKL1-125H-3N8030A | EKL1-125H-3N80100A | EKL1-125H-3N80300A | |
| 100A | EKL1-125H-3N10030A | EKL1-125H-3N100100A | EKL1-125H-3N100300A | ||
| 125A | EKL1-125H-3N12530A | EKL1-125H-3N125100A | EKL1-125H-3N125300A | ||
