1. Sicherungshalter sind Geräte zur Aufnahme, zum Schutz und zur Montage von Sicherungen. Sicherungshalter gibt es in zwei Grundtypen: offen oder vollständig umschlossen. Offene Sicherungshaltertypen sind Sicherungsclips, Sicherungsblöcke, Sockel- und Aufsteckkappenvarianten. Die vollständig umschlossene Variante kann einen Sicherungsträger verwenden, der in einen Halter eingesetzt wird, oder andere Mittel aufweisen, um die Sicherung vollständig zu umschließen.
2. Zu den Montageoptionen für Sicherungshalter gehören Sicherungsblock, Sicherungsclip, Panelmontage, PC-Montage, Schnappmontage und Inline-Montage. Wichtige Umgebungsparameter, die bei der Spezifikation von Sicherungshaltern berücksichtigt werden müssen, sind die Betriebstemperatur.
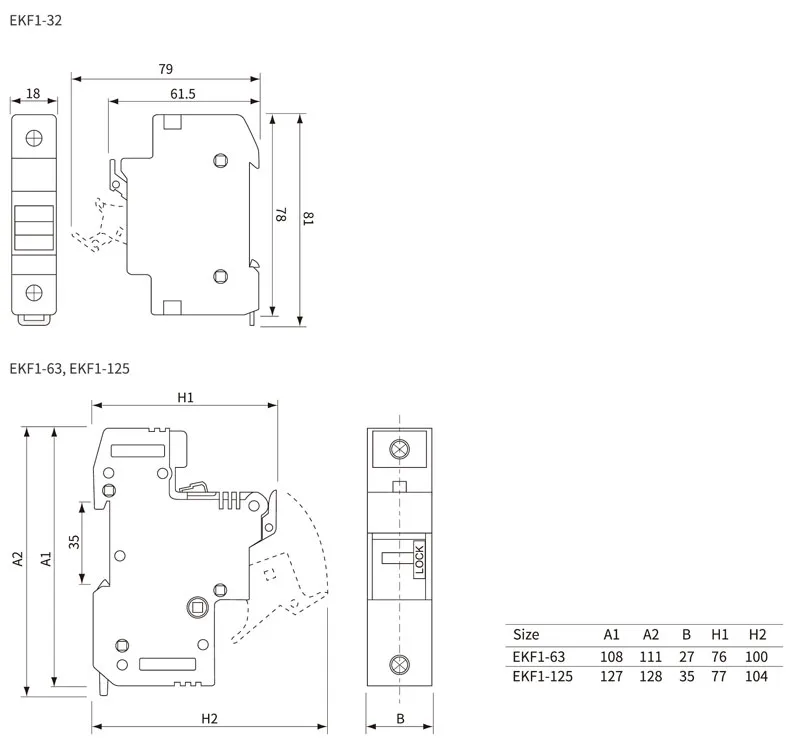
3.EKF1 AC-Sicherungsblöcke und -halter bieten Schutz vor Kurzschlüssen und Überlastungen.
Optionen mit und ohne Anzeige verfügbar.
Normenkonformität: IEC EN 60269-2.
Kleines, kompaktes Design bietet ultimative Flexibilität.
Zur Montage auf 35 mm DIN-Schiene.
Einfache Installation und Sicherungsentfernung ohne zusätzliche Abzieher oder Werkzeuge.
| Bemessungsstrom In | 32A, 63A, 125A | |
| Modell Nr. | Allgemeiner Typ | EKF1-32, EKF1-63, EKF1-125 |
| Mit Indikatortyp | EKF1-32L, EKF1-63L, EKF1-125L | |
| Stöcke | 1P, 2P, 3P, 4P, 1P+N, 3P+N | |
| Nutzungskategorie | AC-22A | |
| Bemessungsspannung Ue | 240/415 V | |
| Isolationsspannung Ui | 500 V | |
| Nennfrequenz | 50/60 Hz | |
| Bemessungsstoßspannungsfestigkeit (1,5/50) Uimp | 4.000 V | |
| Elektrische Lebensdauer | 1.500Zyklen | |
| Mechanische Lebensdauer | 8.500Zyklen | |
| Betriebsfrequenz | 120/h | |
| Schutzart | IP20 | |
| Anziehdrehmoment | EKF1-32 | 1.5Nm 14In-lbs |
| EKF1-63 | 2.5Nm 22In-lbs | |
| EKF1-125 | 3.5Nm 30In-lbs | |
| Klemmengröße für Kabel | EKF1-32 | 16 mm 2 18–5 AWG |
| EKF1-63 | 25 mm 2 18-3 AWG | |
| EKF1-125 | 50 mm 2 18-2 AWG | |
| Umgebungstemperatur (mit Tagesdurchschnitt ≤ 35 °C) | -5℃~+40℃ | |
| Lagertemperatur | -25℃~+70℃ | |
| Montage | Auf DIN-Schiene EN60715 (35 mm) mittels Schnellklemmvorrichtung | |


|
Aktuelle Bewertung |
Referenznummer. |
Spezifikation |
Größe des Sicherungseinsatzes |
|
32A |
EKF1-32-1 |
Modularer Sicherungssockel 32A Rahmen 1P B=18mm |
10x38mm |
|
EKF1-32N-1 |
Modularer Sicherungssockel 32A Rahmen 1P+N B=18mm |
||
|
EKF1-32-2 |
Modularer Sicherungssockel 32A Rahmen 2P B=36mm |
||
|
EKF1-32-3 |
Modularer Sicherungssockel 32A Rahmen 3P B=54mm |
||
|
EKF1-32-4 |
Modularer Sicherungssockel 32A Rahmen 4P B=72mm |
||
|
EKF1-32L-1 |
Modularer Sicherungssockel mit Lampe 32A Rahmen 1P B=18mm |
||
|
EKF1-32L-2 |
Modularer Sicherungssockel mit Lampe 32A Rahmen 2P B=36mm |
||
|
EKF1-32L-3 |
Modularer Sicherungssockel mit Lampe 32A Rahmen 3P B=54mm |
||
|
EKF1-32L-4 |
Modularer Sicherungssockel mit Lampe 32A Rahmen 4P B=72mm |
||
|
63A |
EKF1-63-1 |
Modularer Sicherungssockel 63A Rahmen 1P B=27mm |
14x51mm |
|
EKF1-63-2 |
Modularer Sicherungssockel 63A Rahmen 2P B=54mm |
||
|
EKF1-63-3 |
Modularer Sicherungssockel 63A Rahmen 3P B=81mm |
||
|
EKF1-63-4 |
Modularer Sicherungssockel 63A Rahmen 4P B=108mm |
||
|
EKF1-63L-1 |
Modularer Sicherungssockel mit Lampe 63A Rahmen 1P B=27mm |
||
|
EKF1-63L-2 |
Modularer Sicherungssockel mit Lampe 63A Rahmen 2P B=54mm |
||
|
EKF1-63L-3 |
Modularer Sicherungssockel mit Lampe 63A Rahmen 3P B=81mm |
||
|
EKF1-63L-4 |
Modularer Sicherungssockel mit Lampe 63A Rahmen 4P B=108mm |
||
|
125A |
EKF1-125-1 |
Modularer Sicherungssockel 125A Rahmen 1P B=35mm |
22x58mm |
|
EKF1-125-2 |
Modularer Sicherungssockel 125A Rahmen 2P B=70mm |
||
|
EKF1-125-3 |
Modularer Sicherungssockel 125A Rahmen 3P B=105mm |
||
|
EKF1-125-4 |
Modularer Sicherungssockel 125A Rahmen 4P B=140mm |
||
|
EKF1-125L-1 |
Modularer Sicherungssockel mit Lampe 125A Rahmen 1P B=35mm |
||
|
EKF1-125L-2 |
Modularer Sicherungssockel mit Lampe 125A Rahmen 2P B=70mm |
||
|
EKF1-125L-3 |
Modularer Sicherungssockel mit Lampe 125A Rahmen 3P B=105mm |
||
|
EKF1-125L-4 |
Modularer Sicherungssockel mit Lampe 125A Rahmen 4P B=140mm |
