● Steuerungsmodus: Schalteingangssteuerung oder RS485-Steuerung (MODBUS-RTU)
● Nennversorgungsspannung: DC24V±10% oder AC230V±10%
● Umgebungstemperatur: -20℃ bis +55℃
● Automatische Wiedereinschaltzeiten: 3
● Automatische Wiedereinschaltintervallzeit: 10S - 60S - 300S
● Installationsmethode: Montage auf 35mm DIN-Schiene
EKR5 ist ein Fernsteuerungsmodul, das Schalt- und RS485-Steuerungsmethoden unterstützt. Dieses Modul funktioniert mit RCCB (andere Produkte wie MCB und RCBO sind in Entwicklung).
Gleichzeitig unterstützt das Modul eine automatische Wiedereinschaltfunktion (3-mal). Wenn das entsprechende Schutzgerät in der Leitung zu einem ungünstigen Zeitpunkt auslöst (manuelles Öffnen, Kurzschlussauslösung, Leckauslösung, Überlastauslösung usw.), wird es automatisch neu gestartet, um die Schaltkreiszuverlässigkeit der Stromversorgung zu verbessern.
Das EKR5-Modul kann mit dem RCCB gekoppelt werden. Wenn das Schutzgerät versehentlich auslöst, wird es automatisch wieder geschlossen, ohne dass ein manueller Eingriff erforderlich ist. Dies reduziert die manuellen Wartungskosten und ermöglicht eine rechtzeitige Fehlerbehebung zur Verbesserung der Effizienz.
Erweiterte Spannungsbereiche in zwei Versionen (24V DC und 230V AC)
Es verfügt über eine integrierte Funktion für 3 Wiedereinschaltzeiten.
Alarm-Zusatzzubehör kann hinzugefügt werden.
Der Arbeitszustand wird durch eine LED angezeigt.
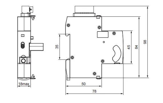
Der Bedienmechanismus ist nur 18 mm breit.
Mit einem Vorhängeschloss kann der Leistungsschalter in der geöffneten Position gesichert werden, wodurch ein sicherer Betrieb vor Ort gewährleistet wird.
Verbessern Sie Ihr elektrisches System mit dem Fernbedienungsgerät EKR5 und genießen Sie so eine bessere Kontrolle, Energieoptimierung und ein Gefühl der Sicherheit.
Modell | EKR5-AC-C(R) | EKR5-DC-C(R) | EKR5-AC-S(R) | EKR5-DC-S(R) |
Steuerungsmodus | Schalteingang Steuerung + automatische Wiedereinschaltung (Optional) | RS485-Steuerung (MODBUS-RTU) + automatische Wiedereinschaltung (optional) | ||
Stromanschlüsse | A1-A2 | |||
Nennversorgungsspannung | Wechselstrom 230 V ± 10 % | DC 24 V ± 10 % | Wechselstrom 230 V ± 10 % | DC 24 V ± 10 % |
Stromverbrauch | Max. 1 VA (Standby), Max. 20 VA (Betrieb) | |||
Frequenzbereich | 50~60 Hz | |||
Versorgungsanzeige | Rote und grüne LEDs | |||
Aktionszeit | ≤ 1 s | |||
Automatische Wiedereinschaltzeiten (optional) | 3 | |||
Intervallzeit für automatische Wiedereinschaltung (optional) | 10S - 60S - 300S | |||
Schließzeiten zurücksetzen (Optional) | Keine Auslösung oder manuelle Rücksetzung innerhalb von 15 Minuten nach erfolgreichem Schließen | |||
Elektrische Lebensdauer | 4000 Zyklen | |||
| Mechanische Lebensdauer | 10000 Zyklen | |||
Umgebungstemperatur | -20℃ bis+55℃ | |||
Lagertemperatur | -35℃ bis+75℃ | |||
Installationsmethode | Montage auf 35mm DIN-Schiene | |||
Schutzart | IP20 | |||
Überspannungskategorie | Drittes Kapitel | |||
Verschmutzungsgrad | 2 | |||
Max. Klemmengröße für Kabel | 2,5 mm² | |||
Maße | 84×18×78mm | |||
Passende Produkte | EKL6-100, EKL6-100B, EKL6-63EV | |||
| RCCB-Modell | EKL6-100(H) | EJL6-100B | EKL6-63EV |
Standard | IEC/EN61008-1 | IEC61008-1, IEC62423 | IEC61008-1, IEC62955 |
Art der Reise | Elektromagnetisch | ||
Schutzart (elektrischer Leckstrom) | AC, A, AG / A-SI, AS | B | A+DC 6mA |
Anzahl der Pole | 2P(1P+N), 4P(3P+N), N-Pol links | ||
Bemessungsspannung (Ue) | 1P+N: 230/240 V~, 3P+N: 400/415 V~ | ||
Nennströme (In) | 16,25,32,40,63,80,100A | 16,25,32,40,63A | |
Nennempfindlichkeitsströme (IΔn) | 10,30,100,300 mA (10 mA nur für In=16-25 A) | 30,100,300 mA | 30 mA, DC-Auslöseschwelle (I Δdc)=6mA |
Bemessungsschaltvermögen | 6.000 A, 10.000 A | 10.000A | 10.000A |
Elektrische Lebensdauer | 2.000 Zyklen | ||
Mechanische Lebensdauer | 4.000 Zyklen | ||
Umgebungstemperatur | -25℃ bis +40℃ | -25℃ bis +55℃ | |
Erdschlussanzeiger | Ja | ||
Schutzart | IP20 | ||
Anschlussart der Klemme | Kabel-/Stift-/Gabel-Sammelschiene | ||
Max. Klemmengröße für Kabel | 35 mm² | ||
Max. Anzugsdrehmoment | 2,5 Nm | ||
Installation | Montage auf 35mm DIN-Schiene | ||
Verbindung | Von oben oder unten | ||




