● Norm: IEC/EN 61643-11
● Stoßspannungsfestigkeit: Imax=20kA (8/20 µs)
● IEC/EN-Kategorie: Typ 2/Klasse II
● Max. Dauerbetriebsspannung: 275, 320, 385, 440V
● Gehäuse: Steckbares Design
Die modularen Überspannungsschutzgeräte EKU4-T2-20 Typ 2 Imax 20 kA bieten Schutz für Geräte, die an Niederspannungs-Wechselstromversorgungen angeschlossen sind, und schützen vor vorübergehenden Überspannungen, die durch lokale Blitzeinschläge oder das Schalten elektrischer induktiver oder kapazitiver Lasten verursacht werden.
Das N-PE-Modul und das LN-Modul sind mechanisch voneinander getrennt, um falsche Kombinationen von steckbaren SPD-Modulen und -Buchsen zu verhindern und entsprechen den entsprechenden Bestimmungen von 7.3.1 der Norm IEC61643-11. Beispielsweise kann die Patrone des N-PE-Modus (besteht aus einer Gasentladungsröhre) in den LN-Modus (besteht aus einem Varistor) gesteckt werden, was zu gefährlichen Situationen wie einem Brandausbruch führen kann.
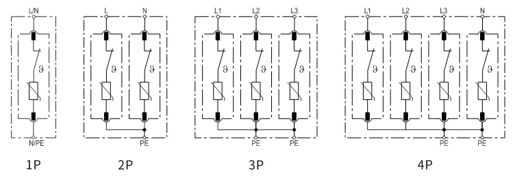
| Anzahl der Pole | 1P | 2P | 3 Punkte | 4P | 1P+NPE | 3P+NPE |
| Netzwerksysteme | TN-S, TN-C, TT (nur LN) | TN-S | TN-C | TN-S | TT, TN-S | |
| Schutzmodus | L-PE, N-PE (nur TN-S), L-PEN, LN | L-PE, N-PE | L-STIFT | L-PE, N-PE | LN, N-PE | |
| Schutzelemente | Hochenergie-MOV | Hochenergie-MOV und GDT | ||||
| Maximale Dauerbetriebsspannung (LN) | Uc | 275 V | 320 V | 385 V | 440 V |
| Maximale Dauerbetriebsspannung (N-PE) | Uc | 255 V | |||
| Nennentladestrom (8/20µs) (LN)/(N-PE) | In | 10 kA | |||
| Maximaler Entladestrom (8/20µs) (LN)/(N-PE) | Imax | 20 kA | |||
| Schutzpegel (LN)/(N-PE) | Hoch | 1,0 kV/1,5 kV | 1,2 kV/1,5 kV | 1,45 kV/1,5 kV | 1,6 kV/1,5 kV |
| Schutzpegel 5kA | Hoch | 0,8 kV | 1,0 kV | 1,2 kV | 1,4 kV |
| Reaktionszeit (LN)/(N-PE) | tA | ≤25 ns/≤100 ns | |||
| Betriebstemperaturbereich | Di | -40℃ bis +80℃ | |||
| Max. Vorsicherung | 125 A gL/gG | ||||
| Betriebszustands-/Störungsanzeige | Grün/Rot (LN), Gelb (N-PE) | ||||
| Querschnittsfläche (Min.)/(Max.) | 4mm²/35mm² | ||||
| Montage | 35 mm DIN-Schiene, EN 60715 | ||||
| Gehäusematerial | Thermoplast UL94-V0 | ||||
| Schutzart | IP20 (eingebaut) | ||||



| Anzahl der Pole | Max. Dauerbetriebsspannung AC | |||
| 275V | 320V | 385V | 440V | |
|
1P |
EKU5-T2-20-1P275 |
EKU5-T2-20-1P320 |
EKU5-T2-20-1P385 |
EKU5-T2-20-1P440 |
|
2P |
EKU5-T2-20-2P275 |
EKU5-T2-20-2P320 |
EKU5-T2-20-2P385 |
EKU5-T2-20-2P440 |
|
3P |
EKU5-T2-20-3P275 |
EKU5-T2-20-3P320 |
EKU5-T2-20-3P385 |
EKU5-T2-20-3P440 |
|
4P |
EKU5-T2-20-4P275 |
EKU5-T2-20-4P320 |
EKU5-T2-20-4P385 |
EKU5-T2-20-4P440 |
|
1P+NPE |
EKU5-T2-20-1PN275 |
EKU5-T2-20-1PN320 |
EKU5-T2-20-1PN385 |
EKU5-T2-20-1PN440 |
|
3P+NPE |
EKU5-T2-20-3PN275 |
EKU5-T2-20-3PN320 |
EKU5-T2-20-3PN385 |
EKU5-T2-20-3PN440 |
| Mit Fernsignalisierung | ||||
|
1P |
EKU5-T2-20-1P275S |
EKU5-T2-20-1P320S |
EKU5-T2-20-1P385S |
EKU5-T2-20-1P440S |
|
2P |
EKU5-T2-20-2P275S |
EKU5-T2-20-2P320S |
EKU5-T2-20-2P385S |
EKU5-T2-20-2P440S |
|
3P |
EKU5-T2-20-3P275S |
EKU5-T2-20-3P320S |
EKU5-T2-20-3P385S |
EKU5-T2-20-3P440S |
|
4P |
EKU5-T2-20-4P275S |
EKU5-T2-20-4P320S |
EKU5-T2-20-4P385S |
EKU5-T2-20-4P440S |
|
1P+NPE |
EKU5-T2-20-1PN275S |
EKU5-T2-20-1PN320S |
EKU5-T2-20-1PN385S |
EKU5-T2-20-1PN440S |
|
3P+NPE |
EKU5-T2-20-3PN275S |
EKU5-T2-20-3PN320S |
EKU5-T2-20-3PN385S |
EKU5-T2-20-3PN440S |
