● Norm: IEC/EN 61643-31
● Stoßspannungsfestigkeit: Iimp=6,25kA (10/350 µs), Imax=40kA (8/20 µs)
● IEC/EN Kategorie: Klasse I+II / Typ 1+2
● Max. Dauerbetriebsspannung (Ucpv): 500, 1000,1500V
● Gehäuse: Steckbares Design
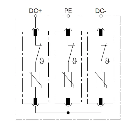
Die DC-Überspannungsschutzserie EKU5 T1+T2 ist für den Einsatz in Photovoltaikanwendungen (PV) mit bis zu 1500 V konzipiert. Diese Überspannungsschutzgeräte (SPDs) entsprechen der PV T1+T2-Klassifizierung gemäß der Norm IEC 61643-31. Das Anzeigefenster auf der Vorderseite hilft Benutzern, den Status des Geräts zu erkennen, und der Remote-Signalanschluss kann eine Fernanzeige und einen Alarm bereitstellen. Darüber hinaus erleichtert das Plug-In-Moduldesign die spätere Wartung und den Austausch.
| Anzahl der Pole | 3 Punkte | |||
| Einsatzort | Stringbox, Wechselrichter | |||
| Schutzmodus | (DC+)-PE,(DC-)-PE,(DC+)-(DC-) | |||
| Schutzelemente | Hochenergie-MOV | |||
| Maximale kontinuierliche Betriebsgleichspannung | Ucpv | 500 V | 1000 V | 1500 V |
| Normaler Entladestrom (8/20μs) | In | 20 kA | ||
| Impulsentladungsstrom (10/350 μs) | Iimp | 6,25 kA | ||
| Gesamtentladestrom (10/350μs) | Gesamt | 12,5 kA | ||
| Gesamtentladestrom (8/20μs) | Gesamt | 40 kA | ||
| Maximaler Entladestrom (8/20μs) | Imax | 40 kA | ||
| Schutzpegel (DC+)-PE,(DC-)-PE | Hoch | 2 kV | 4,0 kV | 5,2 kV |
| Schutzpegel (DC+)-(DC-) | Hoch | / | 4,0 kV | 5,2 kV |
| Ansprechzeit | tA | ≤25 ns | ||
| Betriebstemperaturbereich | Di | -40℃ bis +80℃ | ||
| Betriebszustands-/Störungsanzeige | Grün/Rot | |||
| Querschnittsfläche (Min.)/(Max.) | 4mm²/35mm² | |||
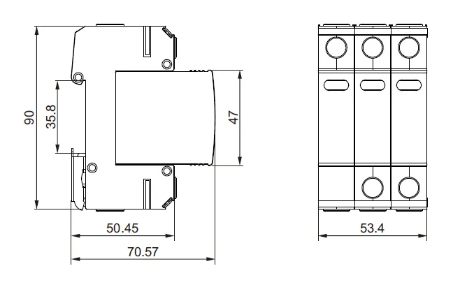
| Montage | 35 mm DIN-Schiene, EN 60715 | |||
| Gehäusematerial | Thermoplast UL94-V0 | |||
| Schutzart | IP20 (eingebaut) | |||


|
Anzahl der Pole
|
Max. Dauerbetriebsspannung DC | ||
|
500V
|
1000V | 1500V | |
| 3Modul |
EKU5-T1+T2-40PV-3M500
|
EKU5-T1+T2-40PV-3M1000 | EKU5-T1+T2-40PV-3M1500 |
| Mit Fernsignalisierung | |||
| 3Modul |
EKU5-T1+T2-40PV-3M500S
|
EKU5-T1+T2-40PV-3M1000S | EKU5-T1+T2-40PV-3M1500S |
