● Nennspannung: Bis zu 1000 V DC
● Eingangskanäle: Max. 6 Stings
● Ausgabekanäle: 2 Stings
● Schutzeinrichtungen: Integrierte Sicherungen und Überspannungsschutz
● Gehäuse: IP65 für den Einsatz im Freien
● Konformität: Erfüllt internationale Sicherheitsstandards
Die Solar-Photovoltaik-DC-Combiner-Box der EKDBS-PV-Serie ist mit einer hochfesten Kunststoffschale ausgestattet, um sicherzustellen, dass das Produkt robust und langlebig ist. Die Combiner-Box hat die Schutzart IP65 und bietet optimalen Schutz unter rauen Umgebungsbedingungen. Diese Combiner-Boxen eignen sich für private und industrielle Photovoltaik-Stromerzeugungssysteme mit Betriebsspannungen von 500 V, 600 V und 1000 V.
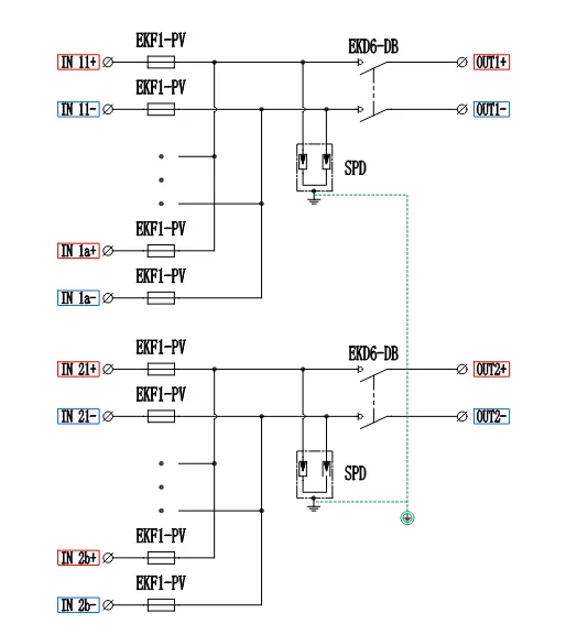
Die Combiner Box kann mit einer Reihe von Komponenten wie beispielsweise DC-Leistungsschaltern, Trennschaltern, DC-Überspannungsschutzschaltern, DC-Sicherungen, Photovoltaik-Steckverbindern oder wasserdichten Steckverbindern ausgestattet werden.
Die EKDBS-PV-Serie bietet Blitzschutz, Kurzschlussschutz und Erdungsschutz, um die Systemsicherheit zu gewährleisten. Sie unterstützt bis zu 6 Strings mit Gleichstromeingang und kann einfach an der Wand montiert werden. Neben den Kernkomponenten können alle Komponenten entsprechend den Benutzeranforderungen angepasst werden.
| Modell | EKDBS-PV2/2 | EKDBS-PV4/2 | EKDBS-PV6/2 | |||
| DC-Eingangsstränge | 2 | 4 | 6 | |||
| Ausgabezeichenfolgen | 2 | 2 | 2 | |||
| Max. DC-Spannung | 600 V | 1000 V | 500 V | 1000 V | 1000 V | |
| Max. Eingangsstrom | 32A | 15A | 10A/20A | |||
| Max. Ausgangsstrom | 32A | 32A | 32A/63A | |||
| Überspannungsschutz | ||||||
| Experimentelles Niveau | Ⅱ | Ⅱ | Ⅱ | |||
| Max. Betriebsspannung | 600 V | 1000 V | 600 V | 1000 V | 1000 V | |
| In (8/20 μs) | 20 kA | 20 kA | 20 kA | |||
| Imax (8/20 μs) | 40 kA | 40 kA | 40 kA | |||
| Schutzpegel | 2,6 kV | 4KV | 2,6 kV | 4KV | 4 kV | |
| Stöcke | 2P | 3 Punkte | 2P | 3 Punkte | 3 Punkte | |
| Design-Merkmale | Steckmodul | |||||
| DC-Sicherung | ||||||
| Bemessungsbetriebsspannung | 1000 V | 1000 V | 1000 V | |||
| Nennstrom | 32 A (8 bis 32 A) | 15A | 10A/20A | |||
| Sicherungsgröße | 10 x 38 mm | 10 x 38 mm | 10 x 38 mm | |||
| Hauptschalter (MCB oder Trennschalter verfügbar) | ||||||
| Nennstrom | 32A | 32A | 32A/63A | |||
| Gehäuse | ||||||
| Materialart | PC+ABS | |||||
| Schutzart | IP65 | |||||
| Aufprallschutzniveau | IK10 | |||||
| Dimension | Wird durch Hauptschaltertyp und Eingangsspannung bestimmt (anpassbar) | |||||
| Eingangs- oder Ausgangsanschluss | PG oder MC4 | |||||
| Umfeld | ||||||
| Betriebstemperatur | -25℃ bis +55℃ | |||||
| Luftfeuchtigkeit | 95 % | |||||
| Höhe | 2000 m | |||||
| Installation | Wandmontage | |||||

