● Norm: IEC61008-1, IEC61008-2, IEC62955
● Klassifizierung von RDC-DD: RDC-PD
● Verhalten bei Anwesenheit von Gleichstromkomponenten: Typ A
● Nennstrom: 16~63A
● Nennspannung: 230/400 V ~ 240/415 V
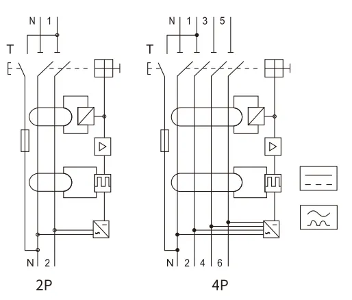
● Pole: 2P(1P+N), 4P(3P+N), N-Pol links
● Bemessungs-Restbetriebsstrom (IΔn): 30 mA
● Nenn-DC-Restbetriebsstrom (IΔdc): 6 mA
● Umgebungstemperatur: -25...+55 ºC
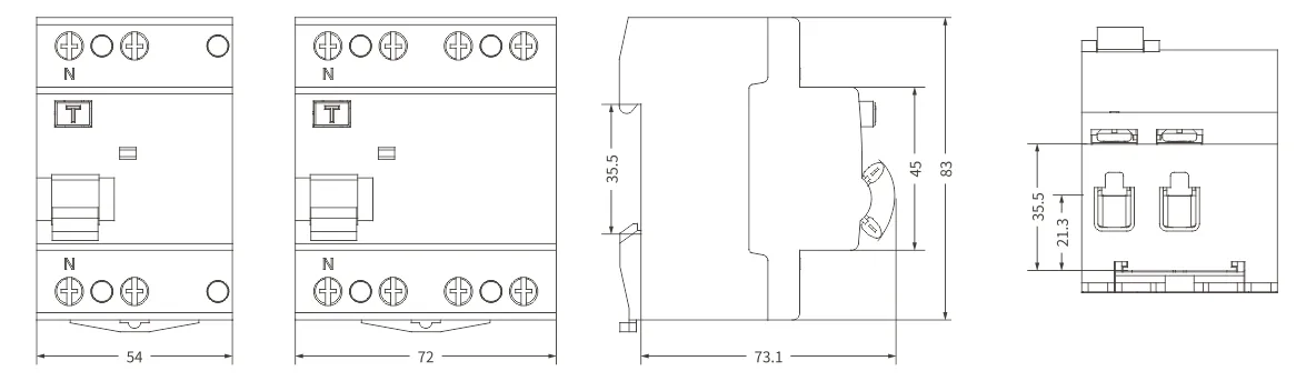
● Anschluss: Von oben und unten
● Zertifikate: CE, CB, TÜV, UKCA
● Anwendungen: EV-Ladestation
Der ETEK Typ EV RCD EKL6-63EV ist eine kostengünstige Lösung, die die Funktionalität eines Typ A RCCB mit einem 6 mA DC-Sensor kombiniert. Dieses Gerät wurde speziell für EV-Ladesysteme entwickelt und erfüllt die Anforderungen an Fehlerstrom-Schutzeinrichtungen gemäß IEC 61851-1 und IEC 60364-7-722. Das kompakte Design des Typ EV RCD integriert sowohl einen AC 30 mA (Typ A) als auch einen 6 mA DC-Fehlerstromschutz. Darüber hinaus entspricht das Gerät den Standards für Typ A RCCB und RDC-PD (Residual Direct Current - Pulsating Detection) gemäß IEC 62955.
Diese RCDs dürfen nur zum Schutz beim Laden von Elektrofahrzeugen im Netz verwendet werden. Für andere Anwendungen dürfen sie nicht verwendet werden. Natürlich ist es auch möglich, RCDs vom Typ B in Ladeanwendungen für Elektrofahrzeuge zu verwenden.
Der RCD Typ EV darf keinesfalls als Ersatz für den Typ B verwendet werden. Er erkennt ausschließlich Fehlerströme des Typs A (Wechsel- und pulsierende Fehlerströme bei der Bemessungsfrequenz 50 Hz) sowie dank der integrierten Zusatzfunktion glatte Gleichfehlerströme (Abschaltung bei max. 6 mA).
Erweiterte Ladesicherheit für Elektrofahrzeuge: Speziell für die besonderen Anforderungen von Ladestationen für Elektrofahrzeuge entwickelt.
6 mA DC-empfindlicher Schutz: Erkennt und unterbricht selbst kleinste DC-Leckströme (6 mA) und übertrifft die Standardanforderungen für erhöhte Sicherheit.
Konformität mit IEC 62955: Erfüllt den strengen internationalen Standard für Fehlerstrom-Erkennungsgeräte, die in Ladegeräten für Elektrofahrzeuge verwendet werden.
Optimal für Mode 3-Laden: Ideal für den Einsatz in Mode 3-Ladestationen und gewährleistet höchste Sicherheit beim AC-Laden.
Hohe Strombelastbarkeit: 63 A Kapazität, geeignet für eine breite Palette von Ladeanwendungen für Elektrofahrzeuge, von privaten bis zu gewerblichen Installationen.
Zuverlässiger Betrieb: Entwickelt für gleichbleibende Leistung und Langlebigkeit, selbst unter anspruchsvollen Umgebungsbedingungen.
Einfache Installation und Integration: Entwickelt für eine unkomplizierte Installation und nahtlose Integration in EV-Ladesysteme.
Klare visuelle Anzeigen: Verfügt über leicht erkennbare Statusanzeigen für schnelle visuelle Überprüfungen und effiziente Fehlerbehebung.
Öffentliche und private Ladestationen für Elektrofahrzeuge
Ladestationen für Elektrofahrzeuge für Privathaushalte
Kommerzielle und betriebliche Ladeinfrastruktur für Elektrofahrzeuge
Ladesysteme für Elektrofahrzeuge für Flotten
E-Ladestationen in Mehrfamilienhäusern
Der EKL6-63EV Typ EV RCD von ETEK Electric steht für die Einhaltung der höchsten Sicherheitsstandards beim Laden von Elektrofahrzeugen. Mit der Wahl des EKL6-63EV investieren Sie in einen fortschrittlichen Schutz, der die Benutzersicherheit in den Vordergrund stellt und allen Besitzern von Elektrofahrzeugen ein sicheres und zuverlässiges Ladeerlebnis gewährleistet.
| Standard |
IEC61008-1, IEC61008-2, IEC62955
|
|
Schutz
|
Erdschluss
|
|
Art der Reise
|
Elektromagnetisch
|
|
Schutzart (elektrischer Leckstrom)
|
A- und DC-Leckstrom |
| Klassifizierung von RDC-DD | RDC-PD |
|
Anzahl der Pole
|
2P(1P+N), 4P(3P+N), N-Pol links
|
| Bemessungsstrom In | 16,25,32,40,63A |
| Bemessungsspannung Ue | 2P 240 V~, 4P 415 V~ |
| Nennfrequenz | 50/60 Hz |
|
Nennempfindlichkeitsströme IΔn
|
30 mA |
| DC-Auslöseschwelle (IΔdc) | 6 mA |
|
Fehlerstrom-Ausschaltzeit unter IΔn
|
≤0,1 s |
| Bemessungs-Resteinschalt- und -ausschaltvermögen (IΔm) | 500 A (In ≤ 40 A), 10 In (In > 40 A) |
|
Bemessungsschaltvermögen
|
10.000A |
| SCPD-Sicherung | 10 kA |
| Bemessungsstoßspannungsfestigkeit (1,5/50) Uimp | 4000 V |
| Dielektrische Prüfspannung bei ind. Freq. für 1min | 2,5 kV |
| Elektrische Lebensdauer | 2.000 Zyklen |
| Mechanische Lebensdauer | 4.000 Zyklen |
| Kontaktstellungsanzeige | Ja |
|
Erdschlussanzeiger
|
Ja |
| Schutzart | IP20 |
| Umgebungstemperatur |
-25 °C bis 55 °C, max. 95 % Luftfeuchtigkeit
|
| Anschlussart der Klemme | Kabel-/Stiftschienen-/U-Schienen-Sammelschienen |
|
Max. Klemmengröße für Kabel
|
35 mm 2 |
| Max. Anziehdrehmoment | 2,5 Nm |
|
Installation
|
Montage auf 35mm DIN-Schiene
|
| Verbindung |
Von oben und unten
|


| Modell | Nennstrom | Stöcke | RCD-Typ | Fehlerstrom | Code |
| EKL6-63EV-1N2530AD6 | 25A | 1P+N | A | 30mA+6mA DC | 125452 |
| EKL6-63EV-1N3230AD6 | 32A | 1P+N | A | 30mA+6mA DC | 125225 |
| EKL6-63EV-1N4030AD6 | 40A | 1P+N | A | 30mA+6mA DC | 125453 |
| EKL6-63EV-1N6330AD6 | 63A | 1P+N | A | 30mA+6mA DC | 125454 |
| EKL6-63EV-3N2530AD6 | 25A | 3P+N | A | 30mA+6mA DC | 125455 |
| EKL6-63EV-3N3230AD6 | 32A | 3P+N | A | 30mA+6mA DC | 125226 |
| EKL6-63EV-3N4030AD6 | 40A | 3P+N | A | 30mA+6mA DC | 125456 |
| EKL6-63EV-3N6330AD6 | 63A | 3P+N | A | 30mA+6mA DC | 125457 |
